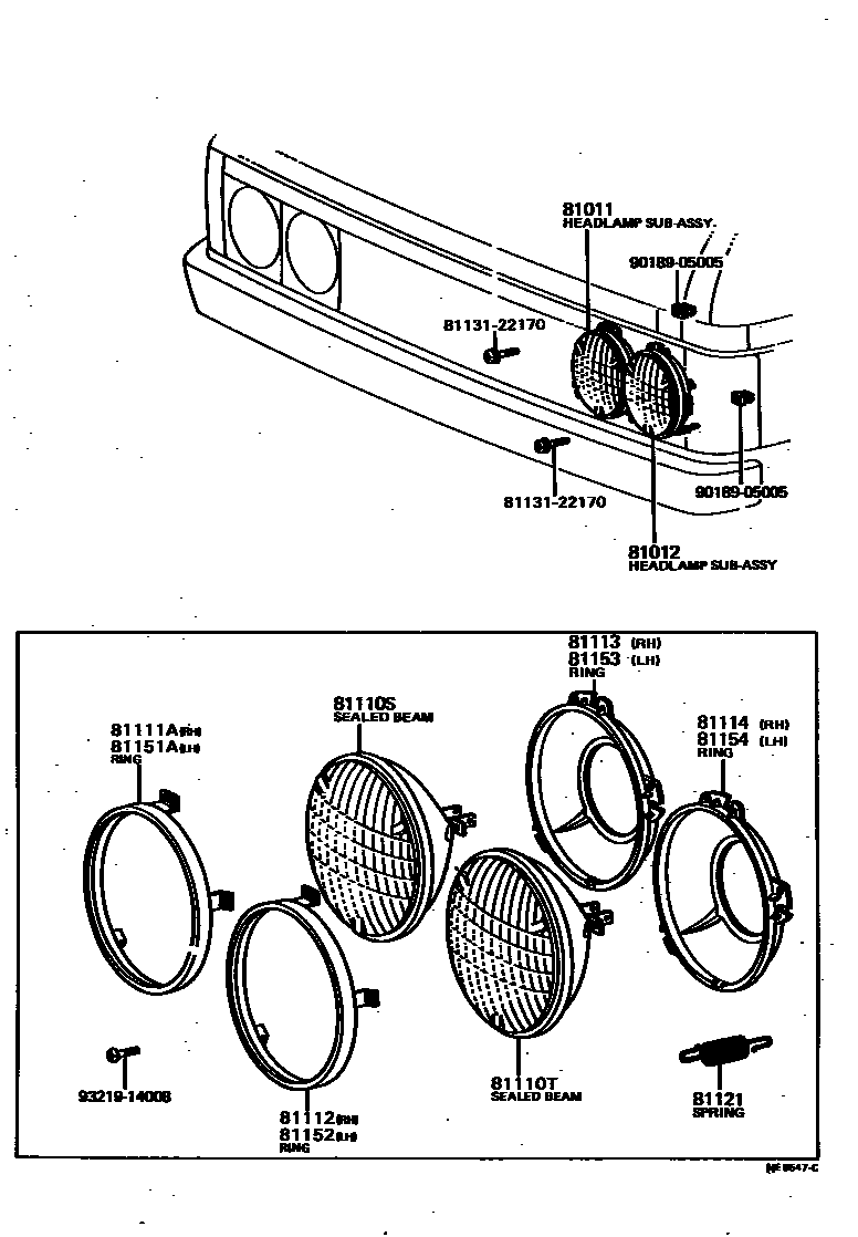
Toyota DYNA — HEADLAMP

81011HEADLAMP SUB-ASSY, NO.1
24V
24V
81012HEADLAMP SUB-ASSY, NO.2
24V
24V
81110SSEALED BEAM UNIT, NO.1
24V 40W,TOSHIBA
81110TSEALED BEAM UNIT, NO.2
24V 40/60W,TOSHIBA
81111ARING, SEALED BEAM RETAINING, NO.1 RH
81112RING, SEALED BEAM RETAINING, NO.2 RH
81113RING, SEALED BEAM MOUNTING, NO.1 RH
81114RING, SEALED BEAM MOUNTING, NO.2 RH
81121SPRING, HEADLAMP TENSION
81151ARING, SEALED BEAM RETAINING, NO.1 LH
81152RING, SEALED BEAM RETAINING, NO.2 LH
81153RING, SEALED BEAM MOUNTING, NO.1 LH
81154RING, SEALED BEAM MOUNTING, NO.2 LH
8113122170SCREW, HEADLAMP ADJUSTING
main81131-22170
9018905005
main90189-05005
9321914008
main93219-14008
16 parts on this diagram · 1 diagram in section
HEADLAMP for Toyota DYNA
This section contains 16 genuine Toyota parts for the HEADLAMP system of the Toyota DYNA. Key components include: HEADLAMP SUB-ASSY, NO.1, HEADLAMP SUB-ASSY, NO.2, SEALED BEAM UNIT, NO.1, SEALED BEAM UNIT, NO.2, RING, SEALED BEAM RETAINING, NO.1 RH.