E
EPC Data

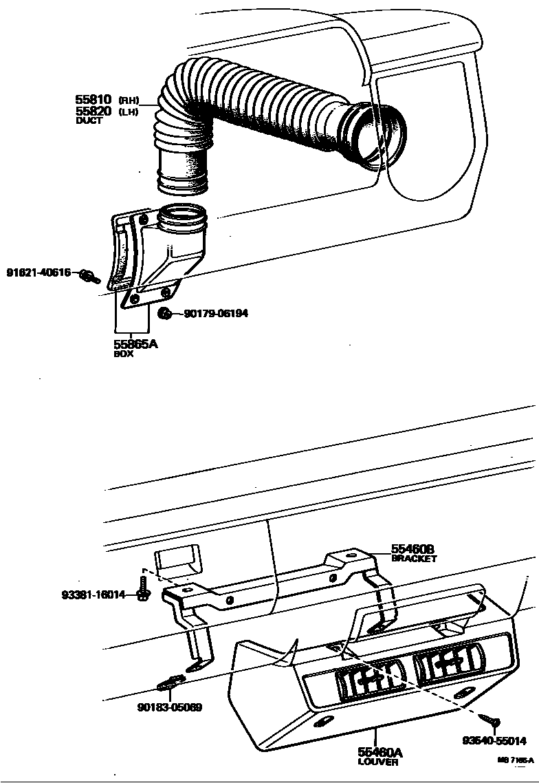
Toyota DYNAFRONT VENTILATOR

Parts diagram
55460ALOUVER ASSY, CENTER VENTILATOR
main55460-95400i197708-198008
main55460-95401i198008-198204
main55460-95402i198204-198408
55460BBRACKET SUB-ASSY, CENTER VENTILATOR
main55408-95400i197708-198408
55810DUCT ASSY, SIDE VENTILATOR, RH
main55863-95404i197708-198408
55820DUCT ASSY, SIDE VENTILATOR, LH
main55863-95404i197708-198408
55865ABOX, INSTRUMENT VENTILATOR
main55805-95400×2i197708-198408
9017906194
9018305069
9162140616
9338116014
9354055014

10 parts on this diagram · 1 diagram in section

Toyota DYNA FRONT VENTILATOR — Parts Diagram | EPC Data