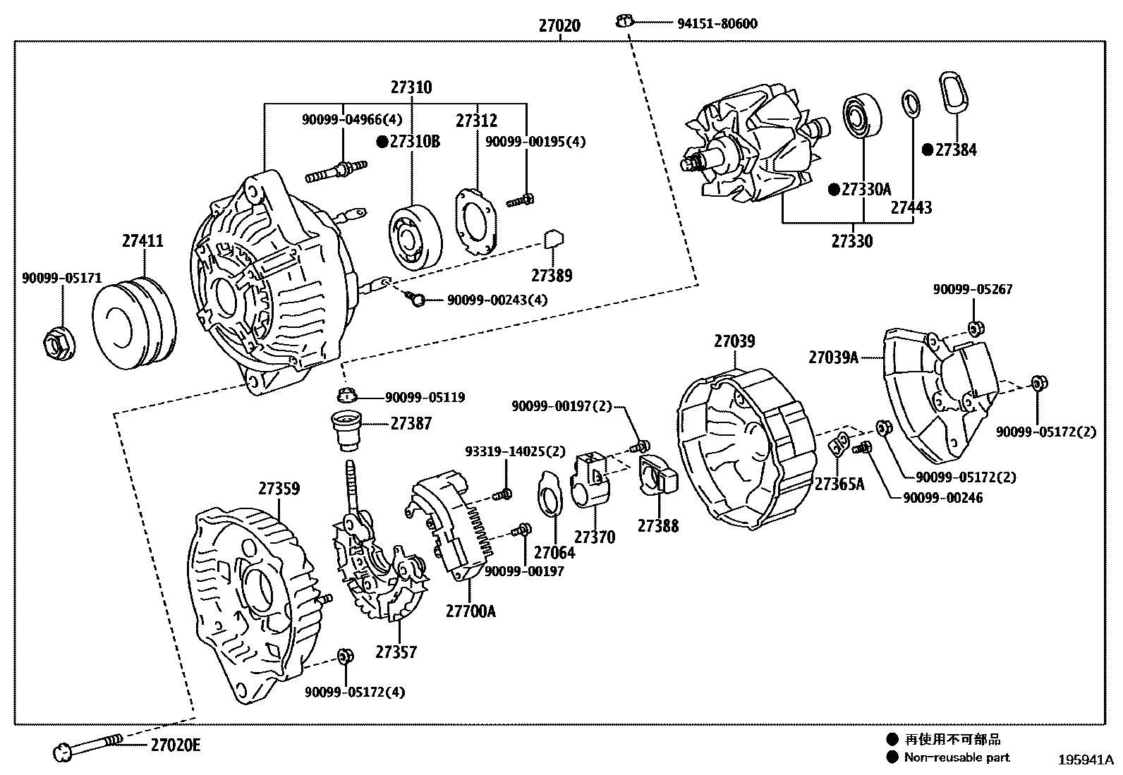
Toyota DYNA — ALTERNATOR

27020ALTERNATOR ASSY
main27060-78300iN04C..XZC60#,630,645,655,675,XZU60#,630,64#,65#,675,685,695..CBU,IV3,IV5,IV6,IV7202103
main27060-78310iN04C..XZC605,645,655,675,XZU60#,64#,65#,675,685,695..(DM6,DM7,T2,T3,T4,T5)..(CBU,IV3,IV6); N04C..XZU600,640,685..IV4202103
27020EBOLT(FOR ALTERNATOR)
27039COVER, ALTERNATOR REAR END
main27039-20160iN04C..XZC60#,630,645,655,675,XZU60#,630,64#,65#,675,685,695..CBU,IV3,IV5,IV6,IV7202103
main27039-78240iN04C..XZC605,645,655,675,XZU60#,64#,65#,675,685,695..(DM6,DM7,T2,T3,T4,T5)..(CBU,IV3,IV6); N04C..XZU600,640,685..IV4202103
27039ACOVER, ALTERNATOR REAR END, NO.2
main27039-58330iN04C..XZC60#,630,645,655,675,XZU60#,630,64#,65#,675,685,695..CBU,IV3,IV5,IV6,IV7202103
27064SEAL, ALTERNATOR PLATE
main27064-42010iN04C..XZC60#,630,645,655,675,XZU60#,630,64#,65#,675,685,695..CBU,IV3,IV5,IV6,IV7202103
27310FRAME ASSY, DRIVE END, ALTERNATOR
main27310-EV010iN04C..XZC60#,630,645,655,675,XZU60#,630,64#,65#,675,685,695..CBU,IV3,IV5,IV6,IV7202103
27310BBEARING(FOR ALTERNATOR DRIVE END FRAME)
main90099-10226iN04C..XZC60#,630,645,655,675,XZU60#,630,64#,65#,675,685,695..CBU,IV3,IV5,IV6,IV7202103
27312PLATE, RETAINER
main27312-42010iN04C..XZC60#,630,645,655,675,XZU60#,630,64#,65#,675,685,695..CBU,IV3,IV5,IV6,IV7202103
27330ROTOR ASSY, ALTERNATOR
main27330-17240iN04C..XZC60#,630,645,655,675,XZU60#,630,64#,65#,675,685,695..CBU,IV3,IV5,IV6,IV7202103
27330ABEARING(FOR ALTERNATOR ROTOR)
main90099-10140iN04C..XZC60#,630,645,655,675,XZU60#,630,64#,65#,675,685,695..CBU,IV3,IV5,IV6,IV7202103
27357HOLDER, ALTERNATOR, W/RECTIFIER
main27357-17080iN04C..XZC60#,630,645,655,675,XZU60#,630,64#,65#,675,685,695..CBU,IV3,IV5,IV6,IV7202103
27359FRAME, ALTERNATOR RECTIFIER END
main27359-58050iN04C..XZC60#,630,645,655,675,XZU60#,630,64#,65#,675,685,695..CBU,IV3,IV5,IV6,IV7202103
27365APLATE, RECTIFIER
main27365-55080iN04C..XZC60#,630,645,655,675,XZU60#,630,64#,65#,675,685,695..CBU,IV3,IV5,IV6,IV7202103
27370HOLDER ASSY, ALTERNATOR BRUSH
main27370-58460iN04C..XZC605,645,655,675,XZU60#,64#,65#,675,685,695..(DM6,DM7,T2,T3,T4,T5)..(CBU,IV3,IV6); N04C..XZU600,640,685..IV4202103
main27370-75060iN04C..XZC60#,630,645,655,675,XZU60#,630,64#,65#,675,685,695..CBU,IV3,IV5,IV6,IV7202103
27384WASHER
main27384-50030iN04C..XZC60#,630,645,655,675,XZU60#,630,64#,65#,675,685,695..CBU,IV3,IV5,IV6,IV7202103
27387INSULATOR, TERMINAL
main27387-20130iN04C..XZC605,645,655,675,XZU60#,64#,65#,675,685,695..(DM6,DM7,T2,T3,T4,T5)..(CBU,IV3,IV6); N04C..XZU600,640,685..IV4202103
main27387-42021iN04C..XZC60#,630,645,655,675,XZU60#,630,64#,65#,675,685,695..CBU,IV3,IV5,IV6,IV7202103
27388COVER, ALTERNATOR BRUSH
main27388-46220iN04C..XZC60#,630,645,655,675,XZU60#,630,64#,65#,675,685,695..CBU,IV3,IV5,IV6,IV7202103
27389INSULATOR, TERMINAL
main27389-42010×4iN04C..XZC60#,630,645,655,675,XZU60#,630,64#,65#,675,685,695..CBU,IV3,IV5,IV6,IV7202103
27411PULLEY, ALTERNATOR
main27411-32020iN04C..XZC60#,630,645,655,675,XZU60#,630,64#,65#,675,685,695..CBU,IV3,IV5,IV6,IV7202103
main27411-78310iN04C..XZC605,645,655,675,XZU60#,64#,65#,675,685,695..(DM6,DM7,T2,T3,T4,T5)..(CBU,IV3,IV6); N04C..XZU600,640,685..IV4202103
27443COVER, ALTERNATOR BEARING
main27443-63020iN04C..XZC60#,630,645,655,675,XZU60#,630,64#,65#,675,685,695..CBU,IV3,IV5,IV6,IV7202103
27700AREGULATOR ASSY, GENERATOR
main27702-78300iN04C..XZC60#,630,645,655,675,XZU60#,630,64#,65#,675,685,695..CBU,IV3,IV5,IV6,IV7202103
9009900195
main90099-00195
9009900197
main90099-00197
9009900243
main90099-00243
9009900246
main90099-00246
9009904966
main90099-04966
9009905119
main90099-05119
9009905171
main90099-05171
9009905172
main90099-05172
9009905267
main90099-05267
9331914025
main93319-14025
9415180600
main94151-80600
32 parts on this diagram · 2 diagrams in section
ALTERNATOR for Toyota DYNA
This section contains 34 genuine Toyota parts for the ALTERNATOR system of the Toyota DYNA. Key components include: ALTERNATOR ASSY, BOLT(FOR ALTERNATOR), COVER, ALTERNATOR REAR END, COVER, ALTERNATOR REAR END, NO.2, SEAL, ALTERNATOR PLATE.