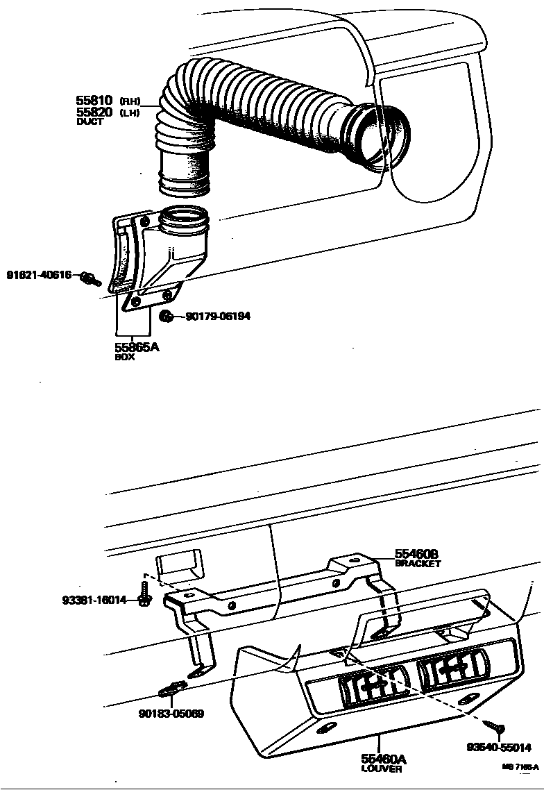
Toyota DYNA — FRONT VENTILATOR

55460ALOUVER ASSY, CENTER VENTILATOR
55460BBRACKET SUB-ASSY, CENTER VENTILATOR
55810DUCT ASSY, SIDE VENTILATOR, RH
55820DUCT ASSY, SIDE VENTILATOR, LH
55865ABOX, INSTRUMENT VENTILATOR
9017906194
main90179-06194
9018305069
main90183-05069
9162140616
main91621-40616
9338116014
main93381-16014
9354055014
main93540-55014
10 parts on this diagram · 1 diagram in section