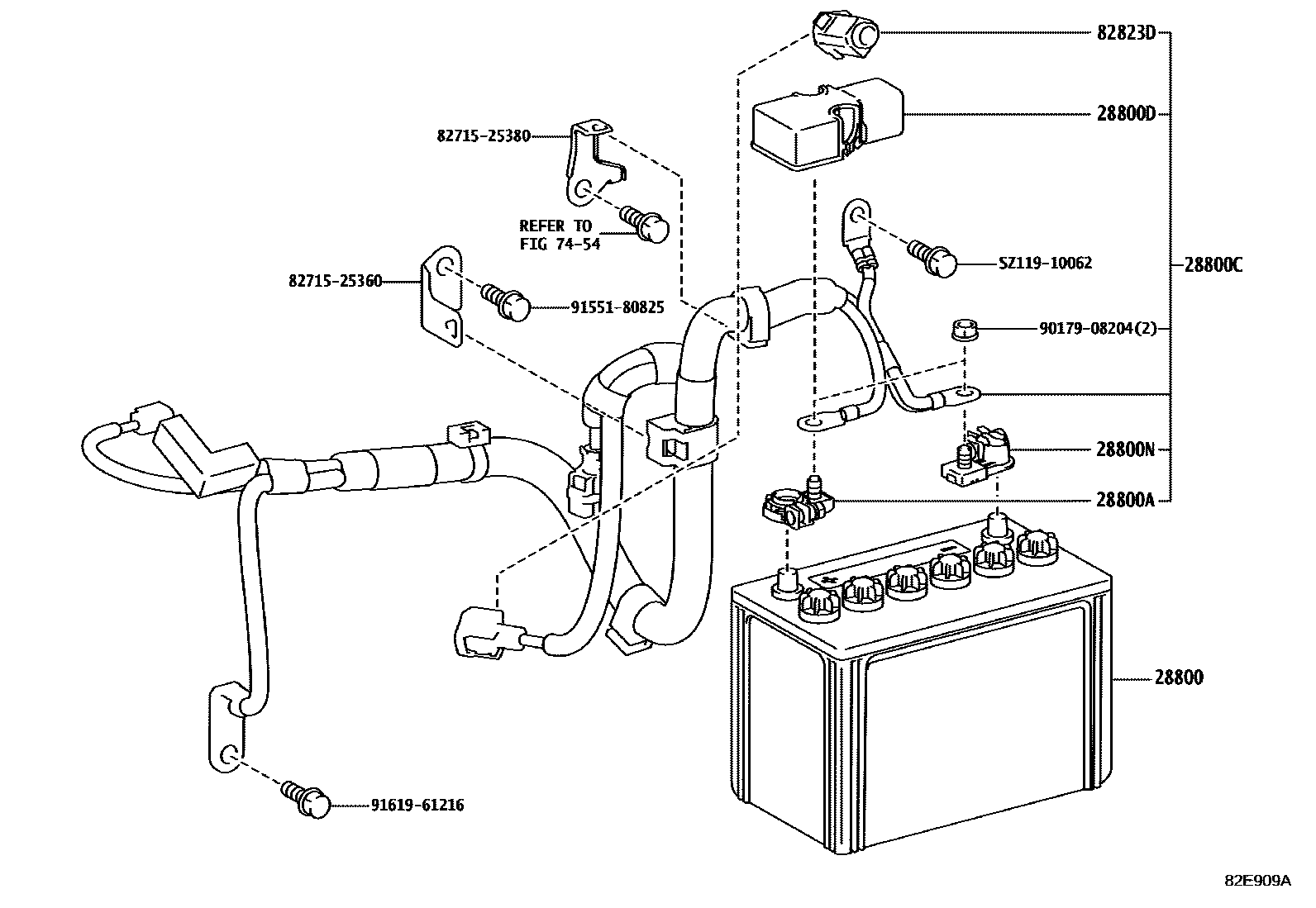
Toyota DYNA — BATTERY & BATTERY CABLE

28800BATTERY
105D31L
105D31L
105D31L
28800ATERMINAL, BATTERY POSITIVE
28800CCABLE, BATTERY TO STARTER(FOR BATTERY TO MAIN SWITCH)
28800DCOVER, CONNECTOR(FOR BATTERY TERMINAL)
28800NTERMINAL, BATTERY NEGATIVE
7454BATTERY CARRIER
82823DCAP, TERMINAL
8271525360BRACKET,WIRING HARNESS CLAMP
main82715-25360
8271525380BRACKET,WIRING HARNESS CLAMP
main82715-25380
9017908204
main90179-08204
9155180825
main91551-80825
9161961216
main91619-61216
SZ11910062
mainSZ119-10062
13 parts on this diagram · 1 diagram in section
BATTERY & BATTERY CABLE for Toyota DYNA
This section contains 13 genuine Toyota parts for the BATTERY & BATTERY CABLE system of the Toyota DYNA. Key components include: BATTERY, TERMINAL, BATTERY POSITIVE, CABLE, BATTERY TO STARTER(FOR BATTERY TO MAIN SWITCH), COVER, CONNECTOR(FOR BATTERY TERMINAL), TERMINAL, BATTERY NEGATIVE.