Toyota DYNA — ALTERNATOR

27020ALTERNATOR ASSY
24V 25A,24V 20A,CHINA OR ALGERIA SPEC
24V 25A,24V 25A
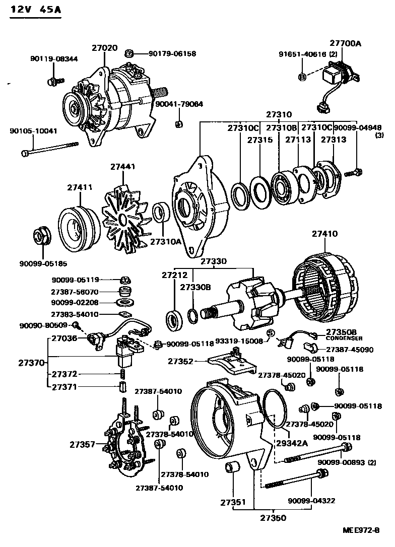
12V 45A
12V 45A,12V 45A
main27020-56360iB,13B..BU75,85..EUR; B..BU60..LHD..TW1;B,11B,13B..BU60,61,65,80,81,85..LHD..WT..GEN198412-198708
24V 25A,24V 25A; 24V 25A,24V 25A,CHINA OR ALGERIA SPEC
27036TERMINAL SUB-ASSY, LEAD WIRE, ALTERNATOR
24V 20A
24V 25A
27113PLATE, BEARING RETAINER, ALTERNATOR
12V 45A,24V 20A,25A
27212RING, SPACE(FOR ALTERNATOR ROTOR)
12V 45A,24V 20A,25A
27310FRAME ASSY, DRIVE END, ALTERNATOR
24V 25A
12V 45A,24V 20A
27310ACOLLAR OR NUT(FOR ALTERNATOR DRIVE END FRAME)
12V 45A,24V 20A,25A
27310BBEARING(FOR ALTERNATOR DRIVE END FRAME)
12V 45A,24V 20A,25A
27310CFELT(FOR ALTERNATOR DRIVE END FRAME)
12V 45A,24V 20A,25A
27313COVER, ALTERNATOR FELT, INNER NO.2
12V 45A,24V 20A,25A
27315COVER, ALTERNATOR FELT, INNER NO.1
12V 45A,24V 20A,25A
27330ROTOR ASSY, ALTERNATOR
12V 45A
24V 20A
24V 25A
12V 45A
main27330-56360iB,13B..BU75,85..EUR; B..BU60..LHD..TW1;B,11B,13B..BU60,61,65,80,81,85..LHD..WT..GEN198412-198708
24V 25A
27330BRING, SNAP(FOR ALTERNATOR ROTOR)
12V 45A,24V 20A,25A
27350FRAME ASSY, RECTIFIER END
24V 25A
24V 20A
27350BCONDENSER, ALTERNATOR
24V 25A
12V 45A
27351BUSH(FOR ALTERNATOR RECTIFIER END FRAME)
12V 45A,24V 20A,25A
27352COVER, FRAME BRUSH
12V 45A,24V 20A,25A
27357HOLDER, ALTERNATOR, W/RECTIFIER
12V 45A
27370HOLDER ASSY, ALTERNATOR BRUSH
24V 20A
24V 25A
27371BRUSH, ALTERNATOR
12V 45A,24V 20A,25A
27372SPRING, ALTERNATOR BRUSH
12V 45A,24V 20A,25A
27410STATOR ASSY, ALTERNATOR
main27410-56110iB,13B..BU75,85..EUR; B..BU60..LHD..TW1;B,11B,13B..BU60,61,65,80,81,85..LHD..WT..GEN198412-198708
24V 25A
24V 25A
24V 20A
12V 45A
27411PULLEY, ALTERNATOR
12V 45A,24V 20A,25A
27441FAN, ALTERNATOR
12V 45A,24V 20A,25A
27700AREGULATOR ASSY, GENERATOR
12V 45A
24V 20A,CHINA OR ALGERIA SPEC
29342APACKING, VACUUM PUMP
12V 45A,24V 20A,25A
2737845020INSULATOR, ALTERNATOR, NO.1
main27378-45020
2737854010INSULATOR, ALTERNATOR, NO.1
main27378-54010
2738354010WASHER, ALTERNATER TERMINAL INSULATOR, NO.1
main27383-54010
2738745090INSULATOR, TERMINAL
main27387-45090
2738754010INSULATOR, TERMINAL
main27387-54010
2738756070INSULATOR, TERMINAL
main27387-56070
9004179064
main90041-79064
9009080509
main90090-80509
9009900893
main90099-00893
9009902208
main90099-02208
9009904322
main90099-04322
9009904948
main90099-04948
9009905118
main90099-05118
9009905119
main90099-05119
9009905185
main90099-05185
9010510041
main90105-10041
9011908344
main90119-08344
9017906158
main90179-06158
9165140616
main91651-40616
9331915008
main93319-15008
45 parts on this diagram · 3 diagrams in section
ALTERNATOR for Toyota DYNA
This section contains 50 genuine Toyota parts for the ALTERNATOR system of the Toyota DYNA. Key components include: ALTERNATOR ASSY, TERMINAL SUB-ASSY, LEAD WIRE, ALTERNATOR, PLATE, BEARING RETAINER, ALTERNATOR, RING, SPACE(FOR ALTERNATOR ROTOR), FRAME ASSY, DRIVE END, ALTERNATOR.