Toyota DYNA/TOYOACE HV — HEATING & AIR CONDITIONING - COMPRESSOR

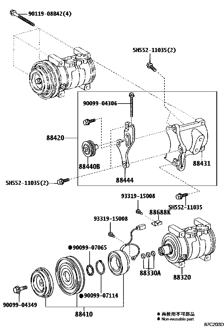
88320COMPRESSOR ASSY, COOLER
88330AWASHER (FOR MAGNET CLUTCH)
88410CLUTCH ASSY, MAGNET
88440BPULLEY ASSY, IDLE
88444BRACKET, IDLE PULLEY
88688KBRACKET, COOLER COMPRESSOR
9009904306
main90099-04306
9009904349
main90099-04349
9009907065
main90099-07065
9009907114
main90099-07114
9011908B42
main90119-08B42
9331915008
main93319-15008
SH55211035
mainSH552-11035
15 parts on this diagram · 5 diagrams in section