Toyota DYNA/TOYOACE HV — CLUTCH HOUSING & TRANSMISSION CASE (MTM)

1709
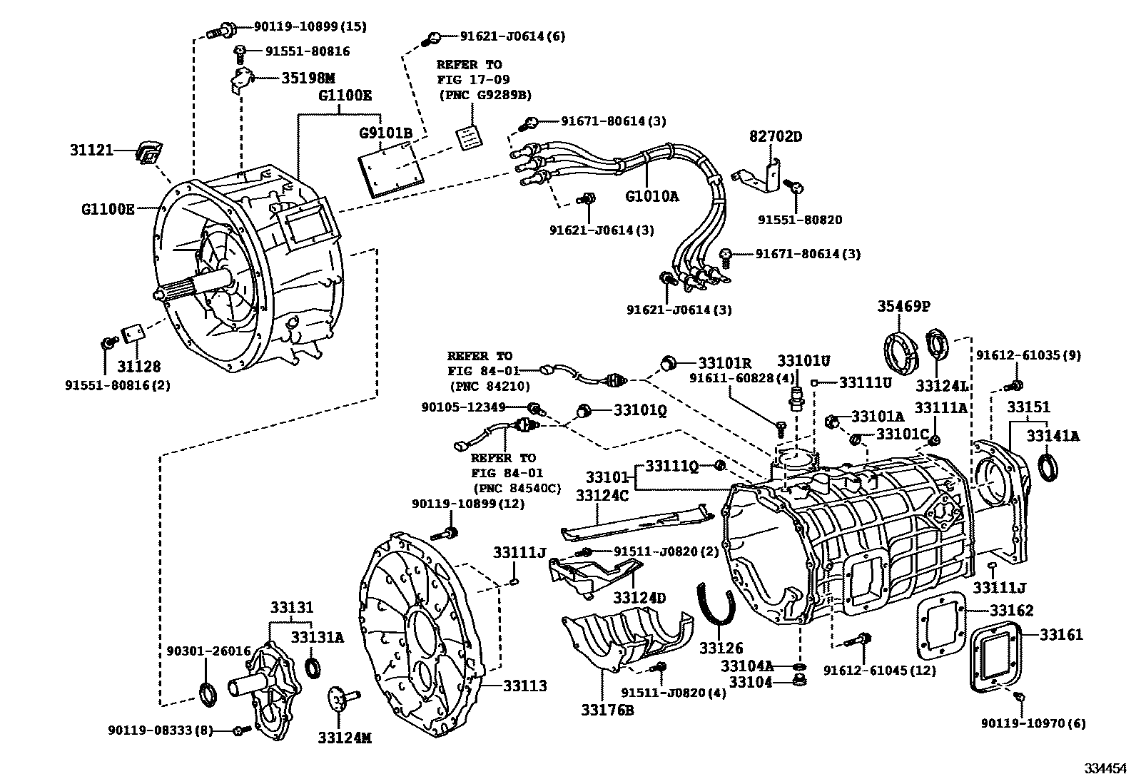
31121COVER, CLUTCH HOUSING, NO.1
31128COVER, CLUTCH HOUSING UNDER
33101CASE SUB-ASSY, MANUAL TRANSMISSION
33101APLUG(FOR MANUAL TRANSMISSION FILLER)
33101CGASKET(FOR MANUAL TRANSMISSION FILLER PLUG)
33101QPLUG, NO.1(FOR TRANSMISSION CASE)
33101RPLUG, NO.2(FOR TRANSMISSION CASE)
33101UPLUG, BREATHER(FOR MANUAL TRANSMISSION)
33104PLUG SUB-ASSY, DRAIN(MTM)
33104AGASKET, DRAIN PLUG(MTM)
33111APLUG, MANUAL TRANSMISSION CASE
33111JPIN, STRAIGHT(FOR MANUAL TRANSMISSION CASE)
33111QSEAL, OIL(FOR TRANSMISSION CASE)
33111UPIN, RING(FOR MANUAL TRANSMISSION CASE)
33113ADAPTER, TRANSMISSION CASE, FRONT
33124DPIPE, OIL RECEIVER, NO.2(MTM)
33124LPIPE, OIL RECEIVER, N0.3(MTM)
33124MPIPE, OIL RECEIVER, N0.4(MTM)
33126SEAL, OIL RECEIVER
33131RETAINER, BEARING, FRONT(MTM)
33131ASEAL, OIL(FOR TRANSMISSION FRONT BEARING RETAINER)
33141ASEAL, OIL(FOR TRANSMISSION REAR BEARING RETAINER)
33161COVER, MANUAL TRANSMISSION POWER TAKE-OFF
33162GASKET, MANUAL TRANSMISSION POWER TAKE-OFF COVER
33176BSEPARATOR, TRANSMISSION OIL(MTM)
35198MBRACKET, WIRE HARNESS CLAMP
35469PSPACER (FOR TRANSMISSION REAR RETAINER)
82702DBRACKET SUB-ASSY, WIRING HARNESS
8401
G1010AWIRE ASSY, MOTOR STATOR
G1100EMOTOR ASSY, HYBRID VEHICLE
subG1100-37041
subG1100-37042
subG1100-37043
subG1100-37044
subG1100-37070
subG1100-37091
9010512349
main90105-12349
9011908333
main90119-08333
9011910899
main90119-10899
9011910970
main90119-10970
9030126016
main90301-26016
91511J0820
main91511-J0820
9155180816
main91551-80816
9155180820
main91551-80820
9161160828
main91611-60828
9161261035
main91612-61035
9161261045
main91612-61045
91621J0614
main91621-J0614
9167180614
main91671-80614
49 parts on this diagram · 3 diagrams in section