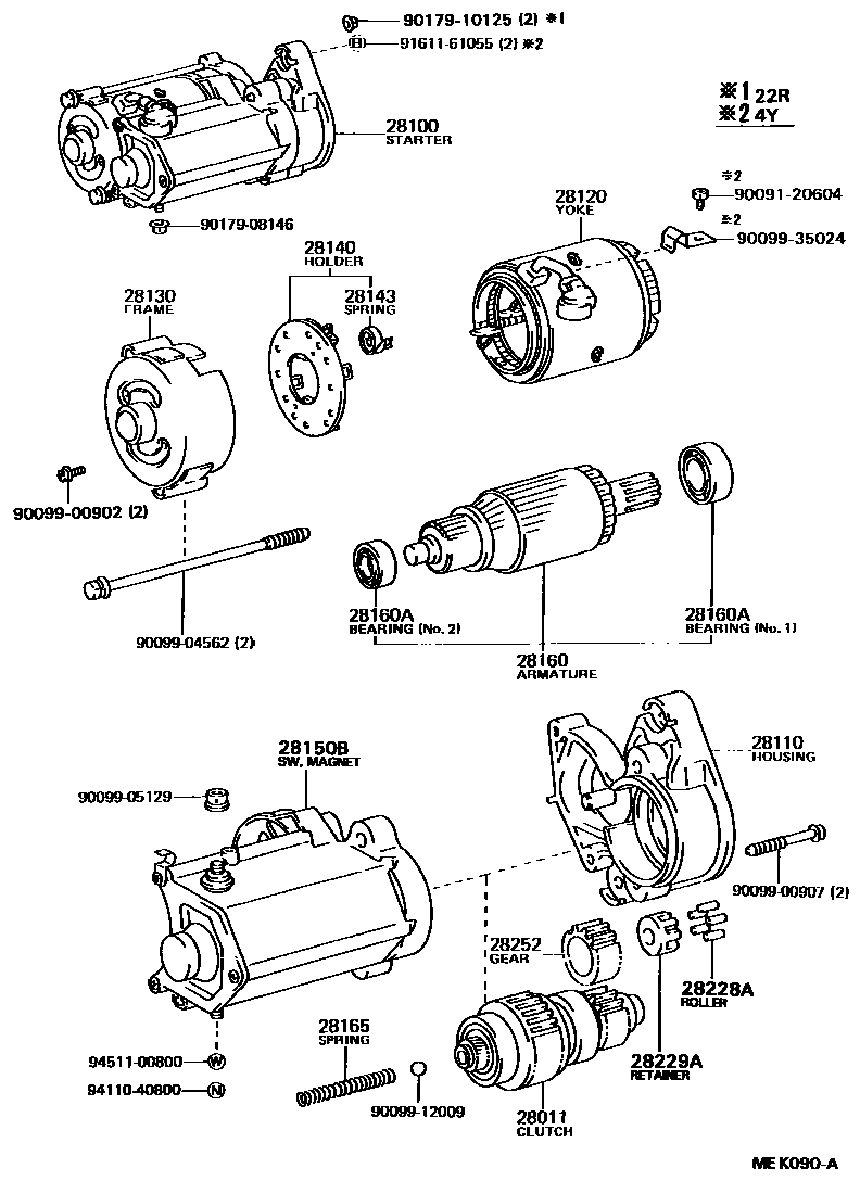
Toyota DYNA 200 — STARTER

28011CLUTCH SUB-ASSY, STARTER
CHINA SPEC
28100STARTER ASSY
12V 1.0KW
12V 1.0KW
24V 4.5KW,CHINA SPEC
12V 2.5KW
28110HOUSING ASSY, STARTER DRIVE
CHINA SPEC,NO.1
CHINA SPEC,NO.2
28120YOKE ASSY, STARTER
28130FRAME ASSY, STARTER COMMUTATOR END
CHINA SPEC
28140HOLDER ASSY, STARTER BRUSH
CHINA SPEC
28143SPRING, STARTER BRUSH
CHINA SPEC
28150BSWITCH ASSY, MAGNETIC
CHINA SPEC
28160ARMATURE ASSY, STARTER
CHINA SPEC
28160ABEARING, STARTER ARMATURE
CHINA SPEC,NO.1
NO.2
CHINA SPEC,NO.2
NO.2
NO.1
NO.1
28165SPRING, STARTER MAGNET SWITCH RETURN
28228AROLLER, STARTER CLUTCH
28229ARETAINER, STARTER IDLE GEAR
28252GEAR, STARTER IDLE
9009120604
main90091-20604
9009900902
main90099-00902
9009900907
main90099-00907
9009904562
main90099-04562
9009905129
main90099-05129
9009912009
main90099-12009
9009935024
main90099-35024
9017908146
main90179-08146
9017910125
main90179-10125
9161161055
main91611-61055
9411040800
main94110-40800
9451100800
main94511-00800
26 parts on this diagram · 4 diagrams in section
STARTER for Toyota DYNA 200
This section contains 60 genuine Toyota parts for the STARTER system of the Toyota DYNA 200. Key components include: CLUTCH SUB-ASSY, STARTER, STARTER ASSY, HOUSING ASSY, STARTER DRIVE, BUSH(FOR STARTER HOUSING), LEVER, STARTER PINION DRIVE.