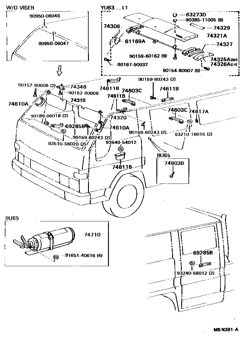
Toyota DYNA 200 — ARMREST & VISOR

61169ASPACER, ANTENNA HOLDER
63273DRETAINER, ROOF WINDOW HINGE
69285BHANDLE, PULL
BROWN,TRIM4#
74306SUPPORT, SUB-ASSY, FRONT VISOR
74310VISOR ASSY, RH
BROWN,TRIM4#; W(ROOF VENTILATOR),BROWN,TRIM4#; W(ROOF VENTIRATOR),BROWN,TRIM4#
BROWN,TRIM4#
W(ROOF VENTIRATOR),BROWN,TRIM4#
BROWN,TRIM4#
BROWN,TRIM4#
W(ROOF VENTILATOR),BROWN,TRIM4#; W(ROOF VENTIRATOR),BROWN,TRIM4#
BROWN,TRIM4#
74320VISOR ASSY, LH
BROWN,TRIM4#; W(ROOF VENTILATOR),BROWN,TRIM4#; W(ROOF VENTIRATOR),BROWN,TRIM4#
BROWN,TRIM4#
W(ROOF VENTIRATOR),BROWN,TRIM4#
BROWN,TRIM4#
BROWN,TRIM4#
W(ROOF VENTILATOR),BROWN,TRIM4#; W(ROOF VENTIRATOR),BROWN,TRIM4#
BROWN,TRIM4#
74321AVISOR, FRONT
74325ASUPPORT, FRONT VISOR, NO.1
74326ASUPPORT, FRONT VISOR, NO.2
74327PAD, FRONT VISOR, NO.1
74329PAD, FRONT VISOR, NO.3
74348HOLDER, VISOR
main74348-12010-25iRU85,WU9#,YU6#,71,81..GEN,SA; RU85,WU9#,YU6#,81..GEN,SA; WU90,YU62..ARL; YU71198708-198808
BEIGE,TRIM4#; W(SUN VISOR=2),BEIGE(TRIM4),BEIGE
74603BCLIP (FOR ASSIST GRIP)
74603CGRIP SUB-ASSY, ASSIST
74610AGRIP SUB-ASSY, ASSIST
BROWN,TRIM4#
74611BGRIP, ASSIST
BROWN,TRIM4#
74617APLUG, ASSIST GRIP
74710EXTINGUISHER ASSY
74811BHANDLE, DOOR PULL
BROWN,TRIM4#; SWITZERLAND SPEC,BROWN,TRIM4#
9015260008
main90152-60008
9015480007
main90154-80007
9015960162
main90159-60162
9015960243
main90159-60243
9016750032
main90167-50032
9018906018
main90189-06018
9038511005
main90385-11005
9095006046
main90950-06046
9095006047
main90950-06047
9165140616
main91651-40616
9321016016
main93210-16016
9324056012
main93240-56012
9351056020
main93510-56020
9354054012
main93540-54012
33 parts on this diagram · 1 diagram in section
ARMREST & VISOR for Toyota DYNA 200
This section contains 33 genuine Toyota parts for the ARMREST & VISOR system of the Toyota DYNA 200. Key components include: SPACER, ANTENNA HOLDER, RETAINER, ROOF WINDOW HINGE, HANDLE, PULL, SUPPORT, SUB-ASSY, FRONT VISOR, VISOR ASSY, RH.