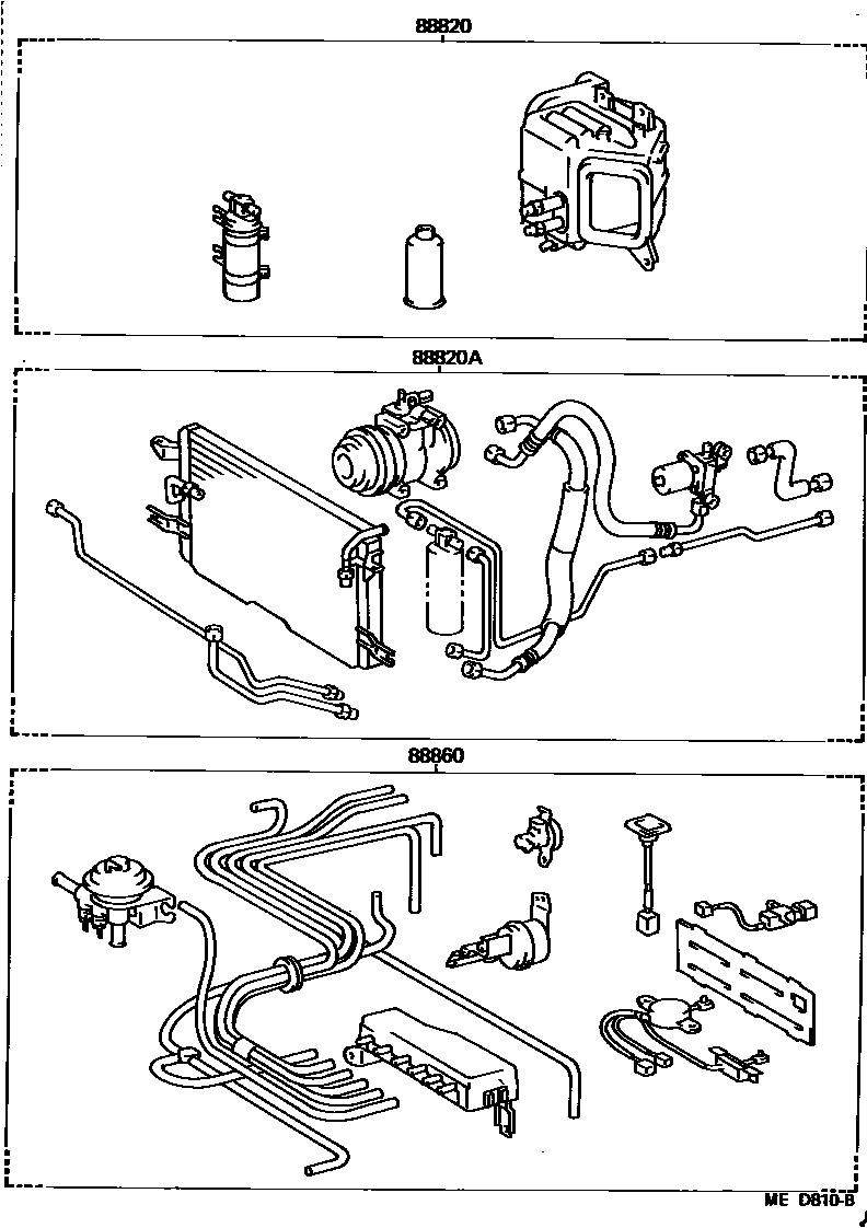
Toyota CROWN — HEATING & AIR CONDITIONING - SET

88820AIR CONDITIONER & ACCESSORY SUB-ASSY, NO.1
main88820-30250iGS12#,LS12#,MS120..(4FC,4HC,5F)..(DLX,SAL,SDX,SPE)..(DSL,EFI,TBO,TD,TDE,TWC)198308-198509
DASH TYPE
DASHTYPE
88820AAIR CONDITIONER & ACCESSORY SUB-ASSY, NO.2
DASH TYPE
DASH TYPE
DASH TYPE
DASH TYPE
TAXI SPEC
TAXI SPEC,DASH TYPE
TAXI SPEC
DASH TYPE
TAXI SPEC
TAXI SPEC,DASH TYPE
DASH TYPE
DASH TYPE
DASH TYPE
88860ACCESSORY ASSY, AUTOMATIC AIR CONDITIONER
3 parts on this diagram · 2 diagrams in section
HEATING & AIR CONDITIONING - SET for Toyota CROWN
This section contains 4 genuine Toyota parts for the HEATING & AIR CONDITIONING - SET system of the Toyota CROWN. Key components include: COOLER AND ACCESSORY ASSY, REAR, AIR CONDITIONER & ACCESSORY SUB-ASSY, NO.1, AIR CONDITIONER & ACCESSORY SUB-ASSY, NO.2, ACCESSORY ASSY, AUTOMATIC AIR CONDITIONER.