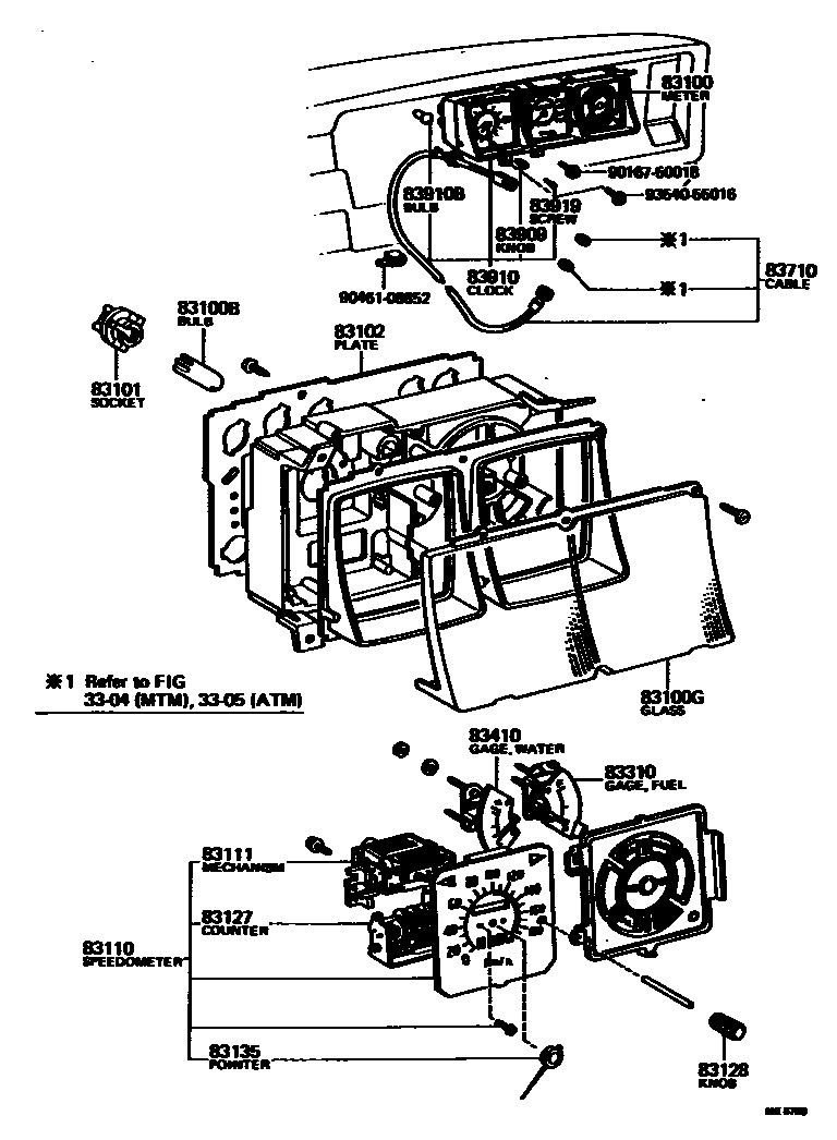
Toyota CROWN — METER

3304
3305
83100METER ASSY, COMBINATION
KM.
KM.
KM.
KM.
KM.
KM.
MILE
MILE
MILE
MILE
KM.
KM.
KM.
KM.
KM.
KM.
MILE
MILE
MILE
83100BBULB, COMBINATION METER, NO.1
12V 1.2W W/O SOCKET,12V 1.4W
12V 3.4W,12V 3.4W
83100GGLASS, COMBINATION METER
83101SOCKET SUB-ASSY, COMBINATION METER BULB
SMALL
LARGE
83102PLATE SUB-ASSY, COMBINATION METER CIRCUIT, NO.1
STD,BTP,DLX=MILE
STD,BTP=MILE
KM
KM
KM
KM
KM
83110SPEEDOMETER ASSY
KM.
KM.
KM.
KM.
MILE
MILE
MILE
KM.
KM.
MILE
MILE
MILE
KM.
KM.
MILE & KM.
MILE & KM.
MILE & KM.
KM.
KM.
MILE & KM.
MILE & KM.
KM.
KM.
83111MECHANISM, SPEEDOMETER
KM.
MILE
KM.
KM
KM
MILE
83127COUNTER, TRIP
KM.
MILE
KM.
MILE
83128KNOB, TRIP COUNTER
83135POINTER, SPEEDOMETER
83310GAGE ASSY, FUEL RECEIVER
83410GAGE ASSY, WATER TEMPERATURE RECEIVER
83710CABLE ASSY, SPEEDOMETER DRIVE, NO.1
83909KNOB, CLOCK
83910CLOCK ASSY
83910BBULB, CLOCK INDICATOR
12V 3.4W,12V 3.4W
12V 3.4W,12V 3.4W
83919SCREW, CLOCK
9016750018
main90167-50018
9046108852
main90461-08852
9354055016
main93540-55016
22 parts on this diagram · 2 diagrams in section