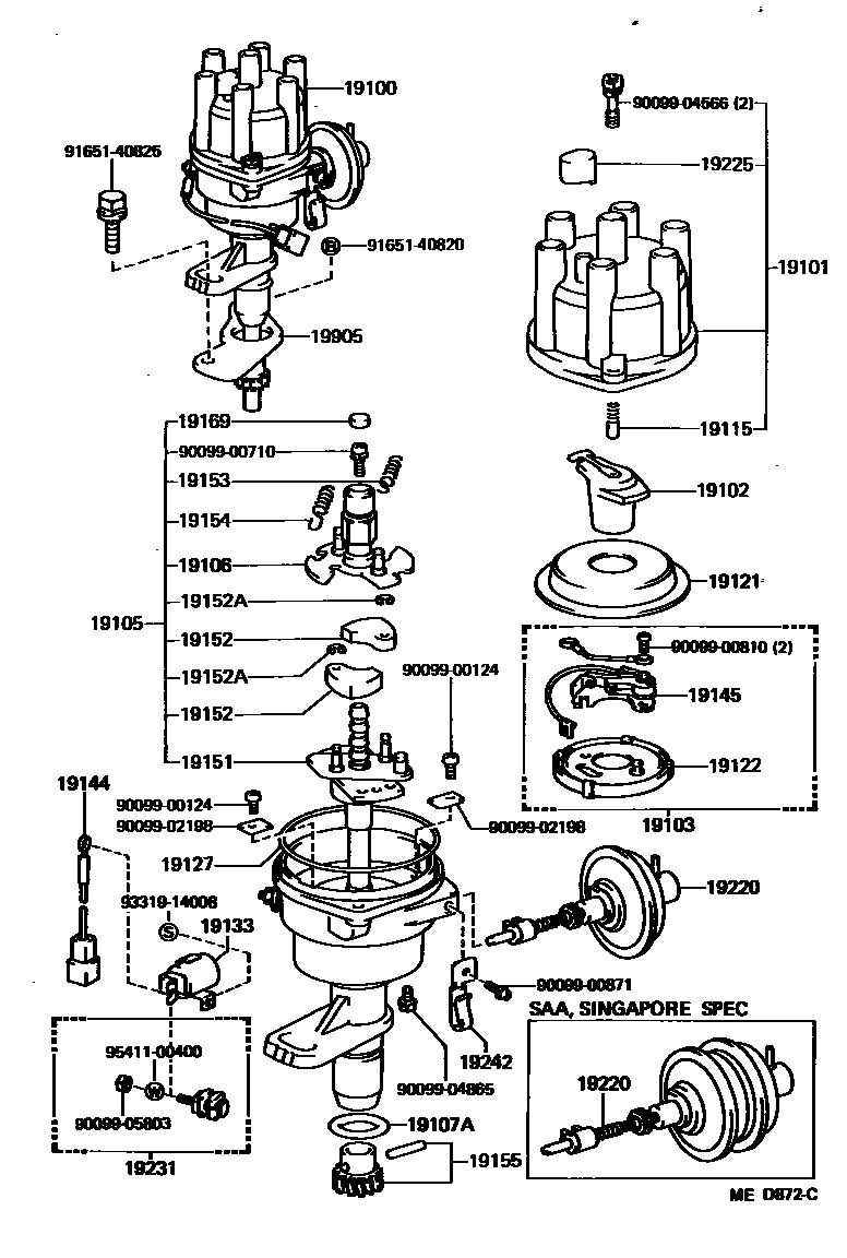
Toyota CROWN — DISTRIBUTOR

19100DISTRIBUTOR ASSY
SINGAPOPE SPEC
19101CAP SUB-ASSY, DISTRIBUTOR
19102ROTOR SUB-ASSY, DISTRIBUTOR
19103BREAKER SUB-ASSY, DISTRIBUTOR
SINGAPOPE SPEC
19105GOVERNOR SUB-ASSY
19115PIECE, DISTRIBUTOR CAP, CENTER
19121COVER, DUST PROOF
19122PLATE, STATIONARY, DISTRIBUTOR
19133CONDENSER, DISTRIBUTOR
19145POINT, DISTRIBUTOR
19151SHAFT, GOVERNOR
19152WEIGHT, GOVERNOR
NO.2
19152ARING, SNAP(FOR GOVERNOR WEIGHT)
19153SPRING, GOVERNOR, A
19154SPRING, GOVERNOR, B
19155GEAR, SPIRAL, DISTRIBUTOR
19169STOPPER, CAM GREASE
19220ADVANCER ASSY, VACUUM, DISTRIBUTOR
19225CAP, RUBBER
19231TERMINAL, DISTRIBUTOR
19242CLAMP, CORD
19905CLAMP SUB-ASSY, DISTRIBUTOR
9009900124
main90099-00124
9009900710
main90099-00710
9009900810
main90099-00810
9009900871
main90099-00871
9009902198
main90099-02198
9009904566
main90099-04566
9009904865
main90099-04865
9009905803
main90099-05803
9165140820
main91651-40820
9165140825
main91651-40825
9331914008
main93319-14008
9541100400
main95411-00400
38 parts on this diagram · 8 diagrams in section