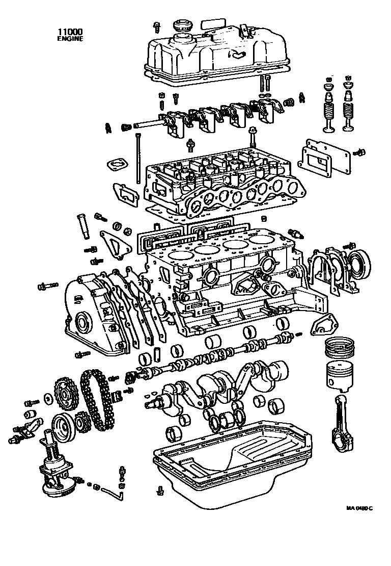
Toyota CROWN — PARTIAL ENGINE ASSEMBLY

11000ENGINE ASSY, PARTIAL
sub90910-05107
IRAQ TAXI SPEC.
IRAQ TAXI SPEC.
L/POWER STEERING
L/POWER STEERING
W/POWER STEERING
W/POWER STEERING
sub13407-45010
sub19000-45150
sub90341-16037
sub13407-45010
sub19000-45150
sub13407-45010
FOR HONG KONG
1 parts on this diagram · 4 diagrams in section