E
EPC Data

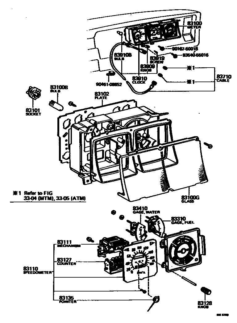
Toyota CROWNMETER

Parts diagram
3304
3305
83100METER ASSY, COMBINATION
main83100-30440i197410-197611
KM.
main83100-30441i197611-197802
KM.
main83100-30450i197410-197611
KM.
main83100-30451i197611-197802
KM.
main83100-30460i197410-197611
KM.
main83100-30461i197611-197802
KM.
main83100-30470i197503-197611
MILE
main83100-30471i197611-197802
MILE
main83100-30480i197410-197503
MILE
main83100-30490i197410-197503
MILE
main83100-30500i197410-197611
KM.
main83100-30501i197611-197802
KM.
main83100-30510i197410-197611
KM.
main83100-30511i197611-197802
KM.
main83100-30520i197410-197611
KM.
main83100-30521i197611-197802
KM.
main83100-30530i197503-197802
MILE
main83100-30540i197410-197503
MILE
main83100-30550i197410-197503
MILE
83100BBULB, COMBINATION METER, NO.1
main90981-11018×4i197802-197908
12V 1.2W W/O SOCKET,12V 1.4W
main99132-12034×11i197410-197908
12V 3.4W,12V 3.4W
83100GGLASS, COMBINATION METER
main83138-30390i197410-197503
main83138-30391i197503-197802
main83138-30530i197410-197503
main83138-30531i197503-197802
main83138-30650i197802-197908
main83138-30670i197802-197908
83101SOCKET SUB-ASSY, COMBINATION METER BULB
main83101-10010×11i197410-197908
SMALL
main83101-14030×4i197802-197908
LARGE
83102PLATE SUB-ASSY, COMBINATION METER CIRCUIT, NO.1
main83102-30110i197503-197611
STD,BTP,DLX=MILE
main83102-30140i197410-197503
main83102-30150i197410-197503
main83102-30160i197410-197503
main83102-30161i197507-197611
STD,BTP=MILE
main83102-30180i197410-197503
main83102-30190i197410-197503
main83247-30010i197611-197802
KM
main83247-30030i197611-197802
KM
main83247-30040i197611-197802
KM
main83247-30050i197611-197802
KM
main83247-30060i197611-197802
KM
main83247-30650i197802-197908
main83247-30660i197802-197908
main83247-30670i197802-197908
main83247-30680i197802-197908
main83247-30690i197802-197908
main83247-30700i197802-197908
83110SPEEDOMETER ASSY
main83110-30320i197410-197503
KM.
main83110-30321i197507-197611
KM.
main83110-30330i197410-197503
KM.
main83110-30331i197507-197611
KM.
main83110-30340i197410-197503
MILE
main83110-30341i197503-197802
MILE
main83110-30350i197410-197503
MILE
main83110-30370i197410-197507
KM.
main83110-30380i197410-197507
KM.
main83110-30390i197410-197503
MILE
main83110-30391i197503-197802
MILE
main83110-30400i197410-197503
MILE
main83110-30470i197802-197908
KM.
main83110-30480i197802-197908
KM.
main83110-30490i197802-197908
MILE & KM.
main83110-30500i197802-197807
MILE & KM.
main83110-30501i197807-197908
MILE & KM.
main83110-30510i197802-197908
KM.
main83110-30520i197802-197908
KM.
main83110-30530i197802-197908
MILE & KM.
main83110-30540i197802-197908
MILE & KM.
main83241-30060i197611-197802
KM.
main83241-30070i197611-197802
KM.
83111MECHANISM, SPEEDOMETER
main83111-12540i197410-197611
KM.
main83111-12560i197410-197503
MILE
main83111-30440i197410-197611
KM.
main83111-30441i197611-197802
KM
main83111-30451i197611-197802
KM
main83111-30530i197410-197503
MILE
83127COUNTER, TRIP
main83127-12280i197503-197802
KM.
main83127-12860i197503-197802
MILE
main83127-30390i197410-197503
KM.
main83127-30530i197410-197503
MILE
83128KNOB, TRIP COUNTER
main83128-10260i197410-197908
83135POINTER, SPEEDOMETER
main83135-30390i197410-197802
83310GAGE ASSY, FUEL RECEIVER
main83243-30010i197611-197802
main83243-30650i197802-197908
main83310-30100i197410-197611
83410GAGE ASSY, WATER TEMPERATURE RECEIVER
main83244-30010i197611-197710
main83244-30650i197802-197908
main83410-30070i197410-197604
main83410-30071i197604-197611
main83410-30072i197710-197802
83710CABLE ASSY, SPEEDOMETER DRIVE, NO.1
main83710-39315i197410-197510
main83710-39325i197410-197510
main83710-39395i197611-197710
main83710-39396i197812-197908
main83710-39405i197611-197812
main83710-39406i197812-197908
main83710-39535i197710-197908
83909KNOB, CLOCK
main83909-30070i197410-197802
83910CLOCK ASSY
main83910-30120i197410-197802
main83910-30121i197802-197908
main83910-30130i197511-197802
main83910-30131i197802-197908
main83910-30190i197802-197908
main83910-30200i197802-197908
main83910-30210i197802-197908
main83910-30220i197802-197908
main83910-39035i197410-197802
83910BBULB, CLOCK INDICATOR
main99132-11034×2i197410-197802
12V 3.4W,12V 3.4W
main99132-12034i197802-197908
12V 3.4W,12V 3.4W
83919SCREW, CLOCK
main83919-14012i197410-197802
9016750018
9046108852
9354055016

22 parts on this diagram · 2 diagrams in section