E
ToyotaEPC

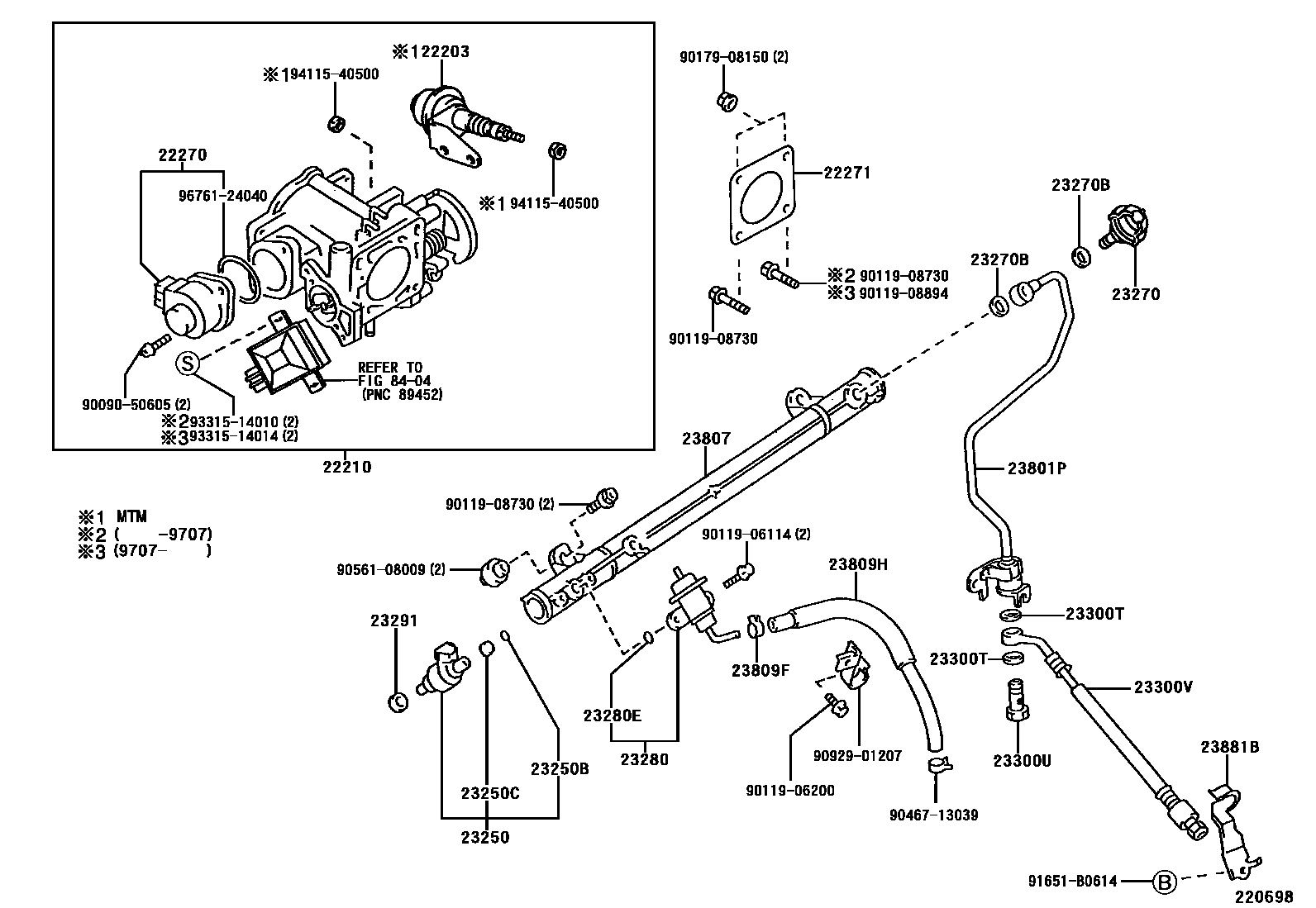
Toyota CROWN/CROWN MAJESTAFUEL INJECTION SYSTEM

Parts diagram
22203DASH POT SUB-ASSY(FOR THROTTLE BODY)
main22203-70080i199512-199808
22210BODY ASSY, THROTTLE
main22030-46110i199711-199808
2JZGE *(W)
main22030-50063i199508-199707
main22030-50110i199707
main22210-46191i199508-199609
main22210-46200i199508-199609
main22210-46260i199508-199707
main22210-46270i199508-199707
main22210-46280i199508-199707
main22210-46350i199609
main22210-46360i199609
main22210-70341i199512-199707
main22210-70361i199707-199808
main22210-70380i199508-199707
main22210-70390i199707-199808
main22210-70410i199808-199909
22270VALVE ASSY, IDLE SPEED CONTROL(FOR THLOTTLE BODY)
main22270-46020i199508-199609
main22270-46090i199508-199707
main22270-46100i199609-199909
main22270-50020i199508-199707
main22270-70120i199508-199808
main22270-70130i199808-199909
22271GASKET, THROTTLE BODY
main22271-46010i199508-199609
main22271-46040i199508-199707
main22271-46050i199609-199909
main22271-46070i199909
main22271-50020i199508-199707
main22271-50040i199707-199808
main22271-50041i199808
main22271-70021i199508-199808
main22271-70030i199808-199909
main22271-70040i199808-199909
23250INJECTOR ASSY, FUEL
main23209-46010×6i199508-199609
main23209-46030×6i199508-199511
main23209-46031×6i199511-199909
main23209-46080×6i199609-199909
main23209-50020×8i199508-199707
main23209-50030×4i199707
main23209-50050×4i199707
main23209-70110×6i199508-199808
main23209-70120×6i199909
23250BRING, O(FOR FUEL INJECTOR)
main90301-07001×6i199508-199812
main90301-07024×6i199808-199909
23250CGROMMET(FOR FUEL INJECTOR)
main90480-13005×6i199508-199609
23270DAMPER ASSY, FUEL PRESSURE PULSATION
main23207-46010i199808-199909
main23207-46021i199909
main23270-28030i199508-199808
main23270-50010i199508-199707
23270BGASKET(FOR PULSATION DAMPER HOSE)
main23232-41081×2i199508-199909
main90430-12026i199508-199707
23280REGULATOR ASSY, FUEL PRESSURE
main23280-46010i199909
main23280-50020i199508-199707
main23280-50030i199808
main23280-50040i199707
main23280-70070i199508-199808
23280ERING, O(FOR FUEL PRESSURE REGULATOR)
main90301-07001i199508-199812
main90301-07024i199812
23291INSULATOR, INJECTOR VIBRATION
main23291-20010×8i199707
main23291-41010×8i199508-199707
main23291-46010×6i199508-199909
23300TGASKET(FOR FUEL FILTER)
main90430-12026×2i199508
23300UBOLT, UNION(FOR FUEL FILTER)
main90401-12097i199508
23300VHOSE, FUEL(FOR FUEL INLET)
main90923-01410i199508
23801PPIPE SUB-ASSY, FUEL, NO.1
main23801-46030i199508-199708
main23801-46031i199909
main23801-46060i199508-199609
main23801-46070i199609-199909
main23801-50010i199508-199707
main23801-70110i199508-199808
main23801-70120i199909
23807PIPE SUB-ASSY, FUEL DELIVERY
main23807-46011i199508-199609
main23807-46040i199909
main23807-50030i199707
main23807-70060i199508-199808
23809FCLIP(FOR FUEL PIPE SUPPORT)
main90467-13001i199508-199808
23809HHOSE, FUEL PIPE SUPPORT TO REGULATOR
main23271-70050i199508-199808
23881BBRACKET, FUEL HOSE
main23881-46020i199508
main23881-46030i199508-200108
main23881-46040i199512
8404ELECTRONIC FUEL INJECTION SYSTEM
9009050605
9011906114
9011906200
9011908730
9011908894
9017908150
9046713039
9056108009
9092901207
91651B0614
9331514010
9331514014
9411540500
9676124040

35 parts on this diagram · 16 diagrams in section

FUEL INJECTION SYSTEM for Toyota CROWN/CROWN MAJESTA

This section contains 151 genuine Toyota parts for the FUEL INJECTION SYSTEM system of the Toyota CROWN/CROWN MAJESTA. Key components include: MANIFOLD, LEVER ASSY, THROTTLE W/SENSOR, DASH POT SUB-ASSY, DASH POT SUB-ASSY(FOR THROTTLE BODY), BODY ASSY, THROTTLE.