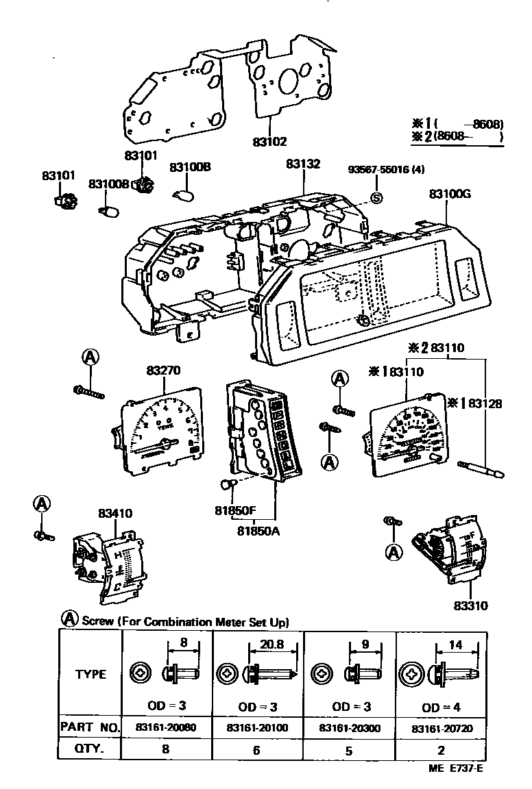
Toyota CRESSIDA — METER

81850ALAMP ASSY, INDICATOR
81850FBULB, INDICATOR LAMP
12V 1.4W,12V 1.4W,WHITE
12V 1.4W,GREEN CAP,12V 1.4W,GREEN
83100BBULB, COMBINATION METER, NO.1
12V3.4W W(GREEN CAP),12V 3.4W,GREEN
12V 1.4W W(SOCKET),12V 1.4W,WHITE,W/*DS
12V 1.4W,GREEN,12V 1.4W,GREEN,W/*DS
12V 3.4W,12V 3.4W
83100GGLASS, COMBINATION METER
W/*DS
W/*DS
W/*AS
W/*AS
83101SOCKET SUB-ASSY, COMBINATION METER BULB
12V 3.4W
12V 3.4W,GREEN
83102PLATE SUB-ASSY, COMBINATION METER CIRCUIT, NO.1
83110SPEEDOMETER ASSY
83128KNOB, TRIP COUNTER
83132CASE, COMBINATION METER
W/*DS
W/*AS
83270TACHOMETER ASSY, ENGINE
W/TEMS
83410GAGE ASSY, WATER TEMPERATURE RECEIVER
8316120080CASE, COMBINATION METER MIRROR, NO.1
main83161-20080
8316120100CASE, COMBINATION METER MIRROR, NO.1
main83161-20100
8316120300CASE, COMBINATION METER MIRROR, NO.1
main83161-20300
8316120720CASE, COMBINATION METER MIRROR, NO.1
main83161-20720
9356755016
main93567-55016
17 parts on this diagram · 3 diagrams in section
METER for Toyota CRESSIDA
This section contains 36 genuine Toyota parts for the METER system of the Toyota CRESSIDA. Key components include: LAMP ASSY, INDICATOR, BULB, INDICATOR LAMP, BULB, COMBINATION METER, NO.1, GLASS, COMBINATION METER, SOCKET SUB-ASSY, COMBINATION METER BULB.