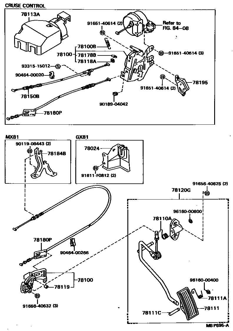
Toyota CRESSIDA — ACCELERATOR LINK

78100LINK ASSY, ACCELERATOR
NO.1
W(CRUISE CONTROL)
NO.2
78100BSPRING (FOR ACCELERATOR LINK)
78110ASPRING (FOR ACCELERATOR PEDAL ROD)
78111PEDAL, ACCELERATOR
78111ASPRING (FOR ACCELERATOR PEDAL)
78111CPIN (FOR ACCELERATOR PEDAL)
78113ACOVER, AUTO DRIVE ACCELERATOR LINK
78118ASTOPPER, ACCELERATOR PEDAL
78119STOPPER, ACCELERATOR PEDAL ROD
78120GROD ASSY, ACCELERATOR PEDAL
78150BCABLE ASSY, ACCELERATOR AUTO DRIVE
78178BDAMPER, ACCEL CONTROL NO.4 ROD BRACKET
78180PCABLE ASSY, ACCELERATOR CONTROL
W(CRUISE CONTROL)
78184BBRACKET, ACCELERATOR CONTROL CABLE
78195BRACKET, ACCELERATOR LINK
8408
9011908443
main90119-08443
9018904042
main90189-04042
9046400020
main90464-00020
9046400266
main90464-00266
91611F0812
main91611-F0812
9165140614
main91651-40614
9165640625
main91656-40625
9165640632
main91656-40632
9331515012
main93315-15012
9616000400
main96160-00400
9616000600
main96160-00600
28 parts on this diagram · 5 diagrams in section