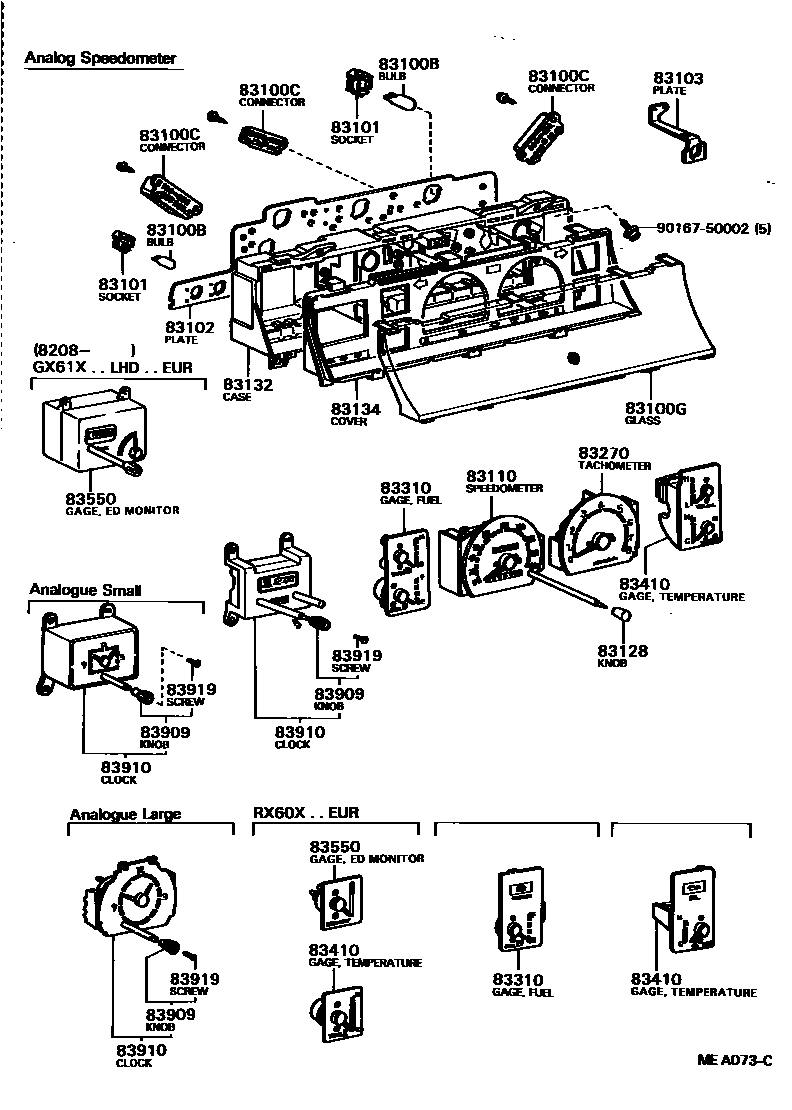
Toyota CRESSIDA — METER

83100BBULB, COMBINATION METER, NO.1
12V 1.2W W/O SOCKET
12V 3.4W
83100CCONNECTOR, COMBINATION METER
7-POLE
13-POLE
83100GGLASS, COMBINATION METER
W/*DS
W/*DS
DIGITAL CLOCK
ANALOGUE LARGE CLOCK
ANALOGUE LARGE CLOCK
DIGITAL CLOCK; W/*AS,DIGITAL CLOCK
ANALOGUE SMALL CLOCK
DIGITAL CLOCK
ANALOGUE SMALL CLOCK
ANALOGUE LARGE CLOCK
83101SOCKET SUB-ASSY, COMBINATION METER BULB
W/*DS,12V 3.4W,LONG
12V 3.4W,WHITE
12V 1.4W
12V 3.4W,GRAY
12V 3.4W
W/*DS,12V 1.4W,LONG
83102PLATE SUB-ASSY, COMBINATION METER CIRCUIT, NO.1
*ME
*ME; *ME,W/*AS
W/SPEED WARNING
W/*AS,SPEED WARNING
W/*DS
W/*DS
83103PLATE SUB-ASSY, COMBINATION METER CIRCUIT, NO.2
W/*DS
W/*DS
W/*AS
83110SPEEDOMETER ASSY
W/*DS
W/*DS
W/*DS
KM; KM,W/O SPEED WARNING
MILE & KM
KM
W/*AS,MILE & KM
MILE & KM
MILE & KM
KM
KM
MILE & KM
KM
MILE & KM
KM
KM
KM
MILE & KM
KM
KM,W/SPEED WARNING
W/*AS,KM,W/SPEED WARNING
KM
83128KNOB, TRIP COUNTER
W/*AS
W/*DS
83132CASE, COMBINATION METER
W/*AS
W/*DS
W/*DS
83134COVER, COMBINATION METER, NO.1
MILE & KM
W/*DS
W/*DS
ANALOGUE LARGE CLOCK
ANALOGUE LARGE CLOCK
ANALOGUE SMALL CLOCK; DIGITAL CLOCK
KM
MILE & KM
MILE & KM,ANALOGUE CLOCK
KM,ANALOGUE CLOCK
MILE & KM,ANALOGUE CLOCK;ANALOGUE CLOCK,*ME
MILE & KM
DIGITAL CLOCK; DIGITAL CLOCK,*ME
ANALOGUE SMALL CLOCK
MILE & KM;*ME
ANALOGUE SMALL CLOCK
ANALOGUE CLOCK, *ME
W/*AS & *CRC; W/*AS,SPEED WARNING
DIGITAL CLOCK,*ME
DIGITAL CLOCK
ANALOGUE CLOCK
DIGITAL CLOCK
W/O SPEED WARNING
83270TACHOMETER ASSY, ENGINE
W/DIGITAL CLOCK
W/*AS
W/*DS
83310GAGE ASSY, FUEL RECEIVER
W/*AS
W/*DS
W/*DS
W/*DS
83410GAGE ASSY, WATER TEMPERATURE RECEIVER
*ME
*ME
*ME,W/*AS; W/*AS
W/*AS
83550GAGE ASSY, ED MONITOR
W/CLOCK
W/CLOCK
W/CLOCK
83909KNOB, CLOCK
main83909-14012iLX60,TX62;RX60..LHD..DLX..EUG;RX60..RHD..DLX..(EUR,GEN);RX60..LHD..DLX..(GEN,ME,SAA)198009-198407
ANALOGUE CLOCK
DIGITAL CLOCK
83910CLOCK ASSY
W/*AS,DIGITAL
ANALOGUE SMALL
main83910-22210iLX60,TX62;RX60..WG..LHD..(EUR,GEN);RX60..SED..LHD..DLX..GEN;RX60..SED..LHD..DLX..EUG;RX60..RHD..DLX..(EUR,GEN)198009-198208
ANALOGUE LARGE
ANALOGUE SMALL
DIGITAL
DIGITAL
ANALOGUE LARGE
W/*DS
W/*DS
83919SCREW, CLOCK
DIGITAL CLOCK
main83919-14012iLX60,TX62;RX60..LHD..DLX..EUG;RX60..RHD..DLX..(EUR,GEN);RX60..LHD..DLX..(GEN,ME,SAA)198009-198407
ANALOGUE CLOCK
9016750002
main90167-50002
18 parts on this diagram · 7 diagrams in section
METER for Toyota CRESSIDA
This section contains 68 genuine Toyota parts for the METER system of the Toyota CRESSIDA. Key components include: BULB, COMBINATION METER, NO.1, CONNECTOR, COMBINATION METER, GLASS, COMBINATION METER, SOCKET SUB-ASSY, COMBINATION METER BULB, PLATE SUB-ASSY, COMBINATION METER CIRCUIT, NO.1.