E
ToyotaEPC

Toyota CRESSIDAHEATING & AIR CONDITIONING - SET

Parts diagram
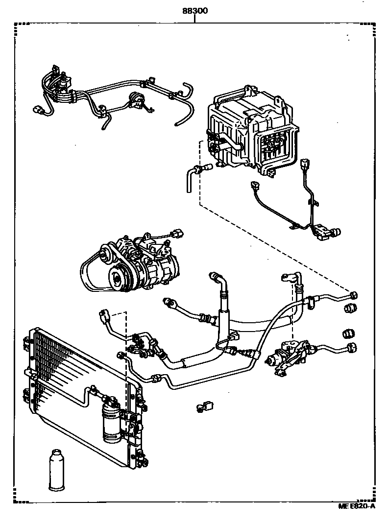
88300COOLER & ACCESSORY ASSY
main88300-2A040i198408-198608
MANUAL*AIC
main88300-2A041i198608-198808
MANUAL*AIC
main88300-2A060i198408-198608
main88300-2A100i198408-198501
W/*BV
main88300-2A101i198608-198808
W/*BV
main88300-2A380i198408-198501
W/HEATER
main88300-2A381i198608-198808
W/HEATER
main88300-2A440i198408-198608
W/HEATER
main88300-2A441i198608-198808
W/HEATER
main88300-2A450i198408-198608
W/*BV
main88300-2A451i198608-198808
W/*BV
main88300-2A460i198408-198508
MANUAL*AIC
main88300-2A461i198508-198608
MANUAL*AIC
main88300-2A462i198608-198808
MANUAL*AIC
main88300-2A510i198501-198608
W/HEATER
main88300-2A511i198608-198808
W/HEATER
main88300-2A520i198501-198608
W/*BV
main88300-2A521i198608-198808
W/*BV
main88300-2A620i198701-198808

1 parts on this diagram · 1 diagram in section

HEATING & AIR CONDITIONING - SET for Toyota CRESSIDA

This section contains 1 genuine Toyota parts for the HEATING & AIR CONDITIONING - SET system of the Toyota CRESSIDA. Key components include: COOLER & ACCESSORY ASSY.