E
EPC Data

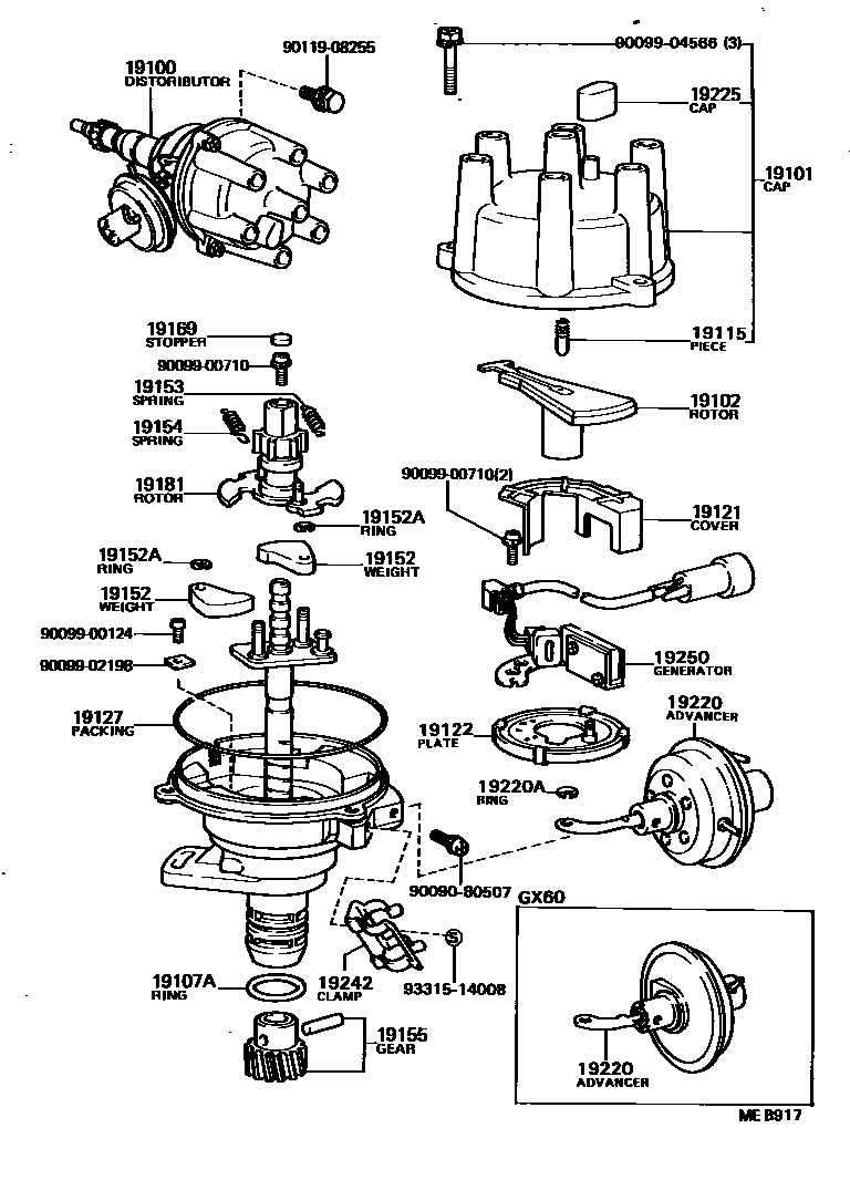
Toyota CRESSIDADISTRIBUTOR

Parts diagram
19100DISTRIBUTOR ASSY
main19100-26210i198107-198203
main19100-28130i198203-198504
main19100-34310i198107-198208
main19100-37030i198009-198108
HONG KONG SPEC
main19100-37040i198009-198108
main19100-37050i198107-198108
main19100-37051i198108-198407
main19100-37090i198108-198208
main19100-37100i198108-198407
main19100-37110i198208-198407
main19100-37130i198408-198504
main19100-43040i198009-198308
main19100-43140i198308-198407
main19100-43160i198312-198504
main19100-70040i198208-198407
main19100-70050i198310-198407
main19100-70061i198310-198401
main19100-70090i198401-198407
19101CAP SUB-ASSY, DISTRIBUTOR
main19101-25070i198107-198208
main19101-33012i198107-198504
main19101-37051i198207-198504
main19101-38150i198009-198207
main19101-41140i198009-198308
main19101-43060i198208-198402
main19101-45191i198308-198407
main19101-70011i198402-198504
19102ROTOR SUB-ASSY, DISTRIBUTOR
main19102-26150i198107-198504
main19102-33012i198009-198504
main19102-43060i198401-198504
main19102-45060i198312-198504
main19102-45191i198308-198407
main19102-70010i198208-198310
19107ARING, O, DISTRIBUTOR HOUSING
main90099-14018i198009-198504
main90099-14020i198009-198504
19115PIECE, DISTRIBUTOR CAP, CENTER
main19115-50010i198009-198504
19121COVER, DUST PROOF
main19121-27020i198009-198504
main19121-33011i198107-198504
main19121-38030i198107-198208
main19121-38040i198009-198208
main19121-38210i198208-198504
19122PLATE, STATIONARY, DISTRIBUTOR
main19122-26210i198107-198504
main19122-33013i198107-198208
main19122-37030i198009-198208
main19122-45070i198009-198504
main19122-88262i198208-198504
19127PACKING, DUST PROOF
main19127-38150i198009-198504
main19127-41141i198312-198504
main19127-45190i198308-198407
main19127-52020i198208-198504
main19127-88220×2i198203-198504
main19127-88222×2i198107-198203
main19127-88251i198107-198208
19152WEIGHT, GOVERNOR
main19152-44170×2i198009-198504
main19152-45060×2i198009-198504
19152ARING, SNAP(FOR GOVERNOR WEIGHT)
main90099-07109×2i198009-198504
19153SPRING, GOVERNOR, A
main19153-26190i198107-198203
main19153-27020i198209-198310
main19153-28130i198203-198504
main19153-34310i198107-198208
main19153-37030i198009-198202
HONG KONG SPEC
main19153-37040i198009-198407
main19153-37050i198107-198407
main19153-37110i198208-198407
main19153-37130i198408-198504
main19153-43040i198009-198308
main19153-43140i198308-198407
main19153-43160i198312-198504
main19153-70040i198208-198407
main19153-70050i198208-198310
main19153-70090i198401-198407
19154SPRING, GOVERNOR, B
main19153-43040i198009-198308
main19153-43140i198308-198407
main19153-43160i198312-198504
main19153-70050i198208-198310
main19154-26190i198107-198203
main19154-28130i198203-198504
main19154-34310i198107-198208
main19154-37030i198009-198208
main19154-37040i198009-198407
main19154-37050i198107-198407
main19154-37110i198208-198407
main19154-37130i198408-198504
main19154-70040i198208-198407
main19154-70061i198310-198401
main19154-70090i198401-198407
19155GEAR, SPIRAL, DISTRIBUTOR
main19195-25011i198107-198504
main19195-33011i198107-198208
main19195-38210i198009-198407
main19195-41130i198009-198308
main19195-45190i198308-198407
main19195-70010i198208-198504
19169STOPPER, CAM GREASE
main19169-32010i198203-198504
19181ROTOR, DISTRIBUTOR, SIGNAL
main19181-24160i198208-198407
main19181-41171i198310-198504
main19181-43020i198009-198308
main19181-43140i198308-198407
main19181-43160i198312-198504
main19181-70040i198208-198407
main19181-70050i198310-198407
19220ADVANCER ASSY, VACUUM, DISTRIBUTOR
main19220-26220i198107-198203
main19220-26310i198203-198504
main19220-34310i198107-198208
main19220-37030i198107-198407
main19220-37040i198009-198407
main19220-37130i198408-198504
main19220-43041i198009-198308
main19220-43140i198308-198407
main19220-43160i198312-198504
main19220-70040i198208-198407
main19220-70050i198208-198310
main19220-70060i198310-198504
19220ARING, SNAP(FOR DISTRIBUTOR VACUUM ADVANCER)
main90099-07109i198009-198504
19225CAP, RUBBER
main19225-25070i198107-198208
main19225-38011i198009-198207
main19225-41140i198207-198504
19242CLAMP, CORD
main19242-26231i198009-198308
main19242-37080i198208-198407
main19242-70031i198208-198504
main19242-88272i198308-198504
19250GENERATOR ASSY, SIGNAL
main19250-37110i198208-198407
main19250-41260i198308-198407
main19250-43160i198312-198504
main19250-45150i198009-198308
main19250-70040i198208-198504
9009080507
9009900124
9009900710
9009902198
9009904566
9011908255
9331514008

27 parts on this diagram · 7 diagrams in section

DISTRIBUTOR for Toyota CRESSIDA

This section contains 61 genuine Toyota parts for the DISTRIBUTOR system of the Toyota CRESSIDA. Key components include: DISTRIBUTOR ASSY, CAP SUB-ASSY, DISTRIBUTOR, ROTOR SUB-ASSY, DISTRIBUTOR, BREAKER SUB-ASSY, DISTRIBUTOR, GOVERNOR SUB-ASSY.