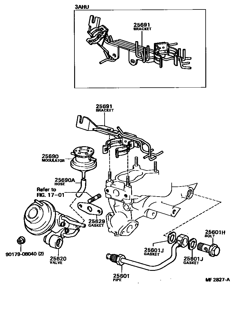
Toyota CORSA/TERCEL — EXHAUST GAS RECIRCULATION SYSTEM

1701MANIFOLD
25601PIPE SUB-ASSY, EGR, NO.1
25601HBOLT, UNION(FOR EGR PIPE,NO.1)
25601JGASKET(FOR EGR PIPE, NO.1)
25620VALVE ASSY, EGR
25629GASKET, EGR VALVE ADAPTER
25690MODULATOR ASSY, EGR VACUUM
25690AHOSE(FOR EGR VACUUM MODULATOR)
25691BRACKET, EGR VACUUM MODULATOR
9017908040
main90179-08040
10 parts on this diagram · 3 diagrams in section
EXHAUST GAS RECIRCULATION SYSTEM for Toyota CORSA/TERCEL
This section contains 11 genuine Toyota parts for the EXHAUST GAS RECIRCULATION SYSTEM system of the Toyota CORSA/TERCEL. Key components include: MANIFOLD, PIPE SUB-ASSY, EGR, NO.1, BOLT, UNION(FOR EGR PIPE,NO.1), GASKET(FOR EGR PIPE, NO.1), VALVE ASSY, EGR.