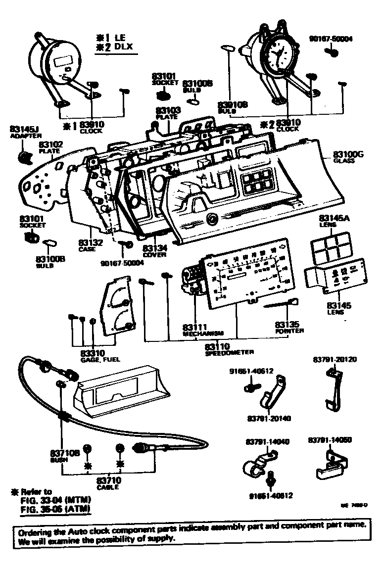
Toyota CORONA — METER

3304SPEEDOMETER DRIVEN GEAR (MTM)
3505SPEEDOMETER DRIVEN GEAR (ATM)
83100BBULB, COMBINATION METER, NO.1
12V 1.2W W/O SOCKET,12V 1.4W
12V 3.4W,12V 3.4W
83100GGLASS, COMBINATION METER
83101SOCKET SUB-ASSY, COMBINATION METER BULB
12V 3.4W
12V 1.4W
12V 3.4W
12V 1.4W
83102PLATE SUB-ASSY, COMBINATION METER CIRCUIT, NO.1
83103PLATE SUB-ASSY, COMBINATION METER CIRCUIT, NO.2
83110SPEEDOMETER ASSY
MILE & KM
MILE & KM
KM & MILE
83111MECHANISM, SPEEDOMETER
KM & MILE
MILE & KM
83132CASE, COMBINATION METER
83134COVER, COMBINATION METER, NO.1
83135POINTER, SPEEDOMETER
83145LENS, METER, NO.1
83145ALENS, METER, NO.2
83145JADAPTER, METER BULB SOCKET
83310GAGE ASSY, FUEL RECEIVER
83710CABLE ASSY, SPEEDOMETER DRIVE, NO.1
83710BBUSH, SPEEDOMETER DRIVE CABLE
83910CLOCK ASSY
83910BBULB, CLOCK INDICATOR
12V 3.4W,12V 3.4W
8379114040
main83791-14040
8379114050
main83791-14050
8379120120
main83791-20120
8379120140
main83791-20140
9016750004
main90167-50004
9165140612
main91651-40612
26 parts on this diagram · 4 diagrams in section
METER for Toyota CORONA
This section contains 41 genuine Toyota parts for the METER system of the Toyota CORONA. Key components include: SPEEDOMETER DRIVEN GEAR (MTM), SPEEDOMETER DRIVEN GEAR (ATM), BULB, COMBINATION METER, NO.1, CONNECTOR, COMBINATION METER, GLASS, COMBINATION METER.