E
EPC Data

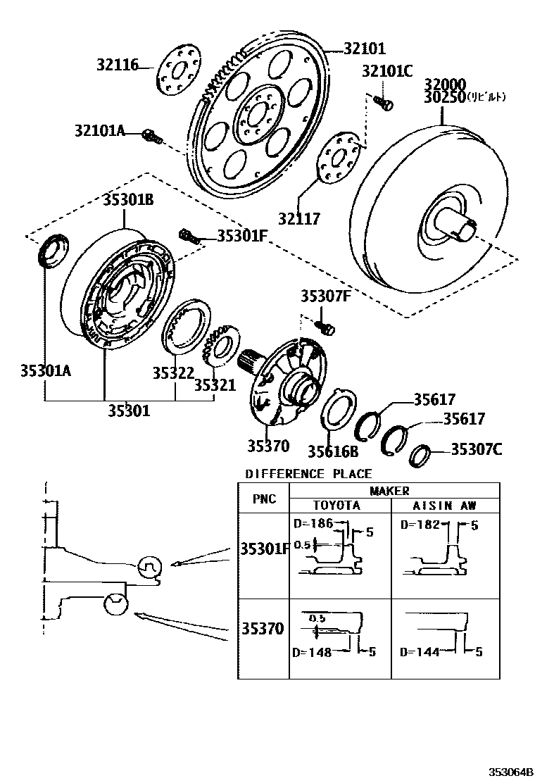
Toyota CORONATORQUE CONVERTER, FRONT OIL PUMP & CHAIN (ATM)

Parts diagram
30250CONVERTER ASSY, TORQUE, REBUILT
main30250-16060i198808-199202
main30250-20130i198712-199202
main30250-20151i198802-198911
main30250-20180i198911-199202
main30250-20190i198911-199202
main30250-20200i198911-199202
main30250-20220i198911-199211
32000CONVERTER ASSY, TORQUE
main32000-16060i198808-199202
main32000-17011i198712-198802
main32000-17012i198802-198911
main32000-20130i198712-199202
main32000-20141i198712-198911
main32000-20150i198712-198802
main32000-20151i198802-198911
main32000-20170i198911-199211
main32000-20180i198911-199202
main32000-20190i198911-199202
main32000-20200i198911-199202
main32000-20220i198911-199211
main32000-32020i198712-198802
main32000-32040i198802-198911
32101GEAR SUB-ASSY, DRIVE PLATE & RING
main32101-12060i198808-199202
main32101-12070i198712-199211
main32101-12080i198712-199202
main32101-16020i198712-199211
main32101-20081i198911-199202
main32101-20100i198907-198911
main32101-32021i198712-198907
main32101-32040i198712-198905
main32101-32050i198905-199202
32101ABOLT(FOR DRIVE PLATE & TORQUE CONVERTER SETTING)
main90109-08113i198911-199202
main90109-08113i198712-199202
main90119-08498i198712-199202
main90119-08498i198911-199202
32101CBOLT, HEXAGON(FOR DRIVE PLATE SETTING)
main90105-10048i198712-199211
main90105-12184i198907-199202
main90109-10037i198712-199211
main90109-10054i198712-199202
32116SPACER, DRIVE PLATE, FRONT
main32116-12010i198712-199202
main32116-14020i198712-198905
main32116-16010i198712-199211
main32116-20030i198712-199211
main32116-20040i198907-198911
main32116-20050i198911-199202
main32116-32011i198712-199202
32117SPACER, DRIVE PLATE, REAR
main32117-12010i198712-199202
main32117-14030i198712-198905
main32117-16010i198712-199211
main32117-20040i198712-199211
main32117-20050i198907-198911
main32117-20060i198911-199202
main32117-32010i198712-199202
35301BODY SUB-ASSY, FRONT OIL PUMP
main35035-12010i198808-199202
main35035-20010i198712-199211
main35035-32010i198712-199211
main35035-32020i198712-199202
35301ASEAL, OIL (FOR FRONT OIL PUMP)
main90311-38020i198712-199211
35301BRING, O (FOR FRONT OIL PUMP BODY)
main90301-99024i198712-199211
35301FBOLT (FOR FRONT OIL PUMP SETTING)
main90105-08050i198712-199211
main90105-08198i198909-199211
35307CRACE, THRUST BEARING (FOR STATOR SHAFT)
main35789-32020i198712-199211
main35789-32030i198712-199211
35307FBOLT (FOR STATOR SHAFT)
main90119-06180i198712-199211
35321GEAR, FRONT OIL PUMP DRIVE
main35321-12020i198808-199202
main35321-12070i199108-199211
main35321-12080i199108-199211
main35321-12090i199108-199211
main35321-12100i199108-199211
main35321-12110i199108-199211
main35321-32040i198712-199202
main35321-32050i198712-199202
main35321-32060i198712-199202
35322GEAR, FRONT OIL PUMP DRIVEN
main35322-12060i199108-199211
main35322-12070i199108-199211
main35322-12080i199108-199211
main35322-12090i199108-199211
main35322-12100i199108-199211
main35322-32040i198712-199202
main35322-32050i198712-199202
main35322-32060i198712-199202
main35322-35010i198808-199202
35370SHAFT ASSY, STATOR
main35370-12040i199005-199211
main35370-12040i199001-199005
main35370-32022i198712-199005
main35370-32022i198911-199005
main35370-32031i198712-199005
main35370-32050i199005-199202
35616BWASHER, CLUTCH DRUM THRUST (FOR STATOR SHAFT)
main35616-32010i198712-199211
35617RING, CLUTCH DRUM OIL SEAL
main35617-12020i198712-198907
main35617-32011i198712-199211

18 parts on this diagram · 1 diagram in section