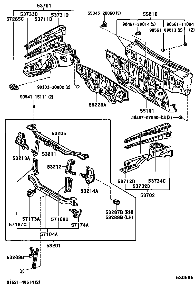
Toyota CORONA — FRONT FENDER APRON & DASH PANEL

53201SUPPORT SUB-ASSY, RADIATOR
53205SUPPORT SUB-ASSY, RADIATOR, UPPER
53209BBRACE SUB-ASSY, HOOD LOCK SUPPORT
53211SUPPORT, RADIATOR, RH
53212SUPPORT, RADIATOR, LH
53213ASUPPORT, RADIATOR, UPPER RH
53214ASUPPORT, RADIATOR, UPPER LH
53287BEXTENSION, RADIATOR SUPPORT, RH
53288BEXTENSION, RADIATOR SUPPORT, LH
53701APRON SUB-ASSY, FRONT FENDER, RH
53702APRON SUB-ASSY, FRONT FENDER, LH
53711BAPRON, FRONT FENDER, FRONT RH
53712BAPRON, FRONT FENDER, FRONT LH
53731DMEMBER, FRONT APRON TO COWL SIDE, UPPER RH
53732DMEMBER, FRONT APRON TO COWL SIDE, UPPER LH
53733DMEMBER, FRONT APRON TO COWL SIDE, LOWER FRONT RH
53734CMEMBER, FRONT APRON TO COWL SIDE, LOWER FRONT LH
55101PANEL SUB-ASSY, DASH
55210INSULATOR ASSY, DASH PANEL
55223AINSULATOR, DASH PANEL, OUTER
57104AMEMBER SUB-ASSY, FRONT CROSS
57167CGUSSET, FRONT CROSSMEMBER SIDE, RH
57168BGUSSET, FRONT CROSSMEMBER SIDE, LH
57173AREINFORCEMENT, FRONT CROSSMEMBER, NO.3 RH
57174AREINFORCEMENT, FRONT CROSSMEMBER, NO.3 LH
57265CBRACKET, ENGINE MOUNTING, RH
5534520060GARNISH, GLOVE COMPARTMENT, UPPER
main55345-20060
9033330002
main90333-30002
9046707090C4
main90467-07090C4
9046720014
main90467-20014
9054115111
main90541-15111
9056109013
main90561-09013
9056111004
main90561-11004
9162140614
main91621-40614
34 parts on this diagram · 1 diagram in section
FRONT FENDER APRON & DASH PANEL for Toyota CORONA
This section contains 34 genuine Toyota parts for the FRONT FENDER APRON & DASH PANEL system of the Toyota CORONA. Key components include: SUPPORT SUB-ASSY, RADIATOR, SUPPORT SUB-ASSY, RADIATOR, UPPER, BRACE SUB-ASSY, HOOD LOCK SUPPORT, SUPPORT, RADIATOR, RH, SUPPORT, RADIATOR, LH.