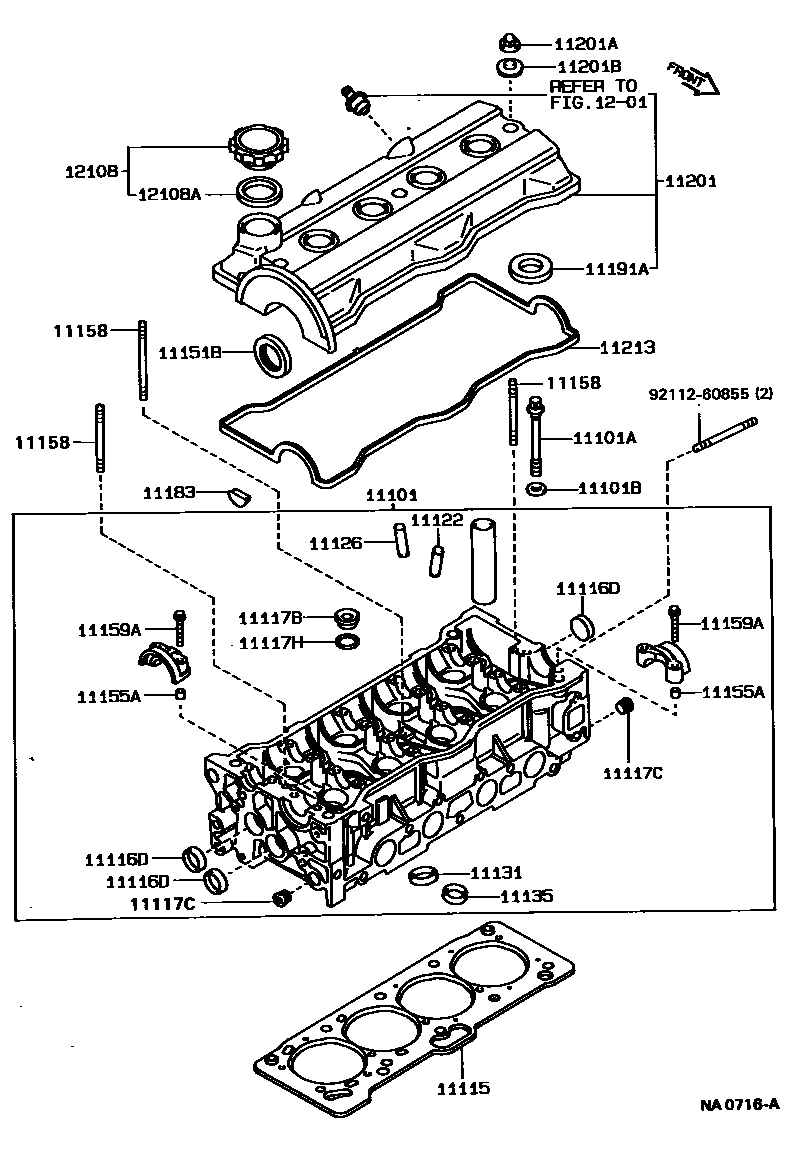
Toyota CORONA — CYLINDER HEAD

11101HEAD SUB-ASSY, CYLINDER
sub11101-64121
sub11101-74901
sub11101-74901
sub11101-74901
11101ABOLT(FOR CYLINDER HEAD SET)
*11-1.25PX130-50
*11-1.25PX152-50
11101BWASHER, PLATE(FOR CYLINDER HEAD SET)
*54
*53
11115GASKET, CYLINDER HEAD
sub11115-15072
sub11115-15073
sub11115-16082
sub11115-64121
sub11115-64121
sub11115-64122
sub11115-79015
sub11115-74H00
11116DPLUG, TIGHT, NO.4
11117BPLUG, W/HEAD TAPER SCREW, NO.2
11117CPLUG, W/HEAD TAPER SCREW, NO.3
11117HGASKET(FOR WATER HOLE)
11122BUSH, INTAKE VALVE GUIDE
11135SEAT, EXHAUST VALVE
11151BSEAL, OIL(FOR CAMSHAFT SETTING)
sub90311-35022
sub90311-35022
sub90311-35040
sub90311-38046
sub90311-38067
11155APIN, RING W/HEAD
11158BOLT, STUD(FOR HEAD TO CYLINDER HEAD COVER)
11159BOLT, STUD(FOR HEAD TO CAMSHAFT BEARING CAP)
11183PLUG, SEMICIRCULAR
11191TUBE, SPARK PLUG
11191AGASKET(FOR SPARK PLUG TUBE)
1201
12108AGASKET(FOR OIL FILLER CAP)
9211260855
main92112-60855
28 parts on this diagram · 6 diagrams in section