E
EPC Data
Pricing
Sign In
Home
›
Toyota
›
CORONA
›
PARTIAL ENGINE ASSEMBLY
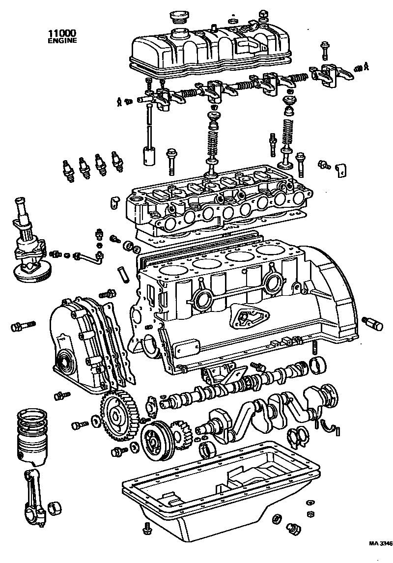
Toyota CORONA — PARTIAL ENGINE ASSEMBLY
0001 1
0002 1
11000
ENGINE ASSY, PARTIAL
main
19000-31190
i
12R..RT100,110,116
197308-197511
L/PCV
main
19000-31200
i
12R..RT100,116
197308-197511
W/PCV
main
19000-31201
i
12R..RT100,116
197511-197808
W/PCV
main
19000-34070
i
18R..RT104,118..ARL
197308-197408
sub
12311-33010
sub
12315-33010
main
19000-34071
i
18R..RT104,118..STD
197408-197509
main
19000-34200
i
18R..RT104,114
197308-197408
main
19000-34201
i
18R..RT104,118..EUG
197509-197701
main
19000-34202
i
18R..RT104,118..EUG
197701-197701
main
19000-34203
i
18R..RT104,118..EUG
197701-197808
main
19000-34241
i
18R..RT104,114,118..ARL,GEN,SA
197509-197701
main
19000-34242
i
18R..RT104,114,118..ARL,GEN,SA
197701-197905
sub
19000-34243
main
19000-34320
i
18RC..RT104,118
197509-197606
sub
11293-34071
sub
90344-53011
main
19000-34321
i
18RC..RT104,118
197606-197704
sub
19000-34322
main
19000-34323
i
18RC..RT104,118
197704-197905
sub
19000-34324
sub
25601-34021
sub
25601-34041
main
19000-34330
i
18R..RT104,118..ARL
197604-197606
18RC
main
19000-36050
i
16R..RT102,112,117..EUR,GEN
197308-197408
sub
12311-33010
sub
12315-33010
main
19000-36051
i
16R..RT102,112,117..EUR,GEN
197408-197504
main
19000-36090
i
16R..RT102,112,117..EUR,GEN
197504-197509
1 parts on this diagram · 2 diagrams in section