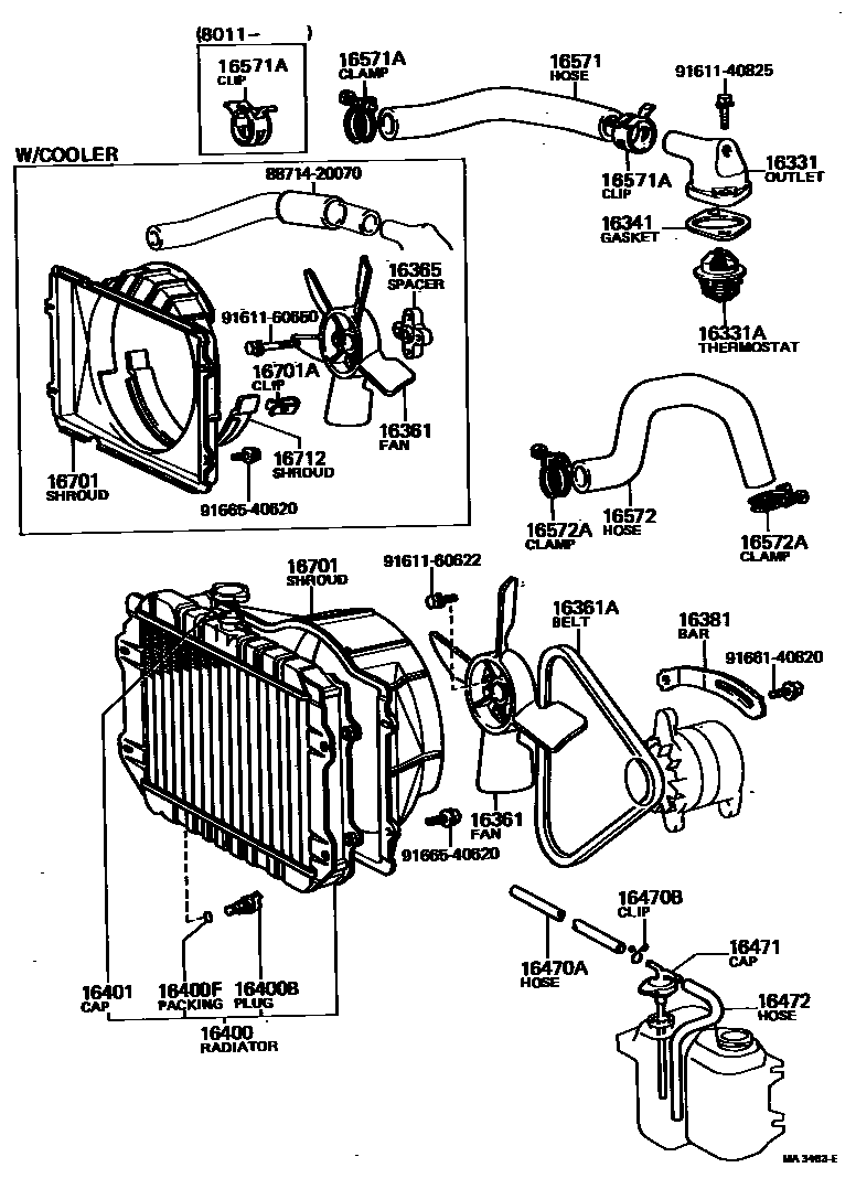
Toyota CORONA — RADIATOR & WATER OUTLET

16331OUTLET, WATER
16331ATHERMOSTAT
*WAX 82-95,FUJI-THOMSON
16361FAN
W/COOLER
7 BLADES
7 BLADES
16361ABELT, V(FOR FAN & ALTERNATOR)
L=840
L=885
L=880
L=900
L=840
16365SPACER, FAN
W/COOLER
16381BAR, FAN BELT ADJUSTING
16400BPLUG, RADIATOR DRAIN COCK
16400FPACKING(FOR RADIATOR DRAIN COCK)
sub96711-19007
main96711-19007i2T..TT133;3T..TT132..RHD;3T..TT132..LHD..(3FC,4F);3T..TT132..(HT,LB)..LHD..5F198110-198301
16470TANK ASSY, RADIATOR RESERVE
sub16470-26090
16470BCLAMP OR CLIP(FOR RADIATOR RESERVE TANK HOSE)
16471CAP SUB-ASSY, RESERVE TANK
16472HOSE, BREATHER
16571HOSE, RADIATOR, INLET
16572ACLAMP OR CLIP, HOSE(FOR RADIATOR OUTLET NO.1)
RADIATOR OUTLET SIDE
RADIATOR SIDE,ID=45
RADIATOR SIDE,ID=46
main96111-10460i2T..TT133;3T..TT132..RHD;3T..TT132..LHD..(3FC,4F);3T..TT132..(HT,LB)..LHD..5F198012-198112
RADIATOR OUTLET SIDE
ENGINE SIDE,ID=48
ENGINE SIDE,ID=49
16701SHROUD SUB-ASSY, FAN
W/COOLER
16701ACLIP(FOR FAN SHROUD)
W/COOLER
W/COOLER
16712SHROUD, FAN, NO.2
W/COOLER
W/COOLER
W/COOLER
W/COOLER
8871420070HOSE, COOLER REFRIGERANT LIQUID, NO.1
main88714-20070
9161140825
main91611-40825
9161160622
main91611-60622
9161160650
main91611-60650
9166140820
main91661-40820
9166540620
main91665-40620
29 parts on this diagram · 4 diagrams in section