E
EPC Data

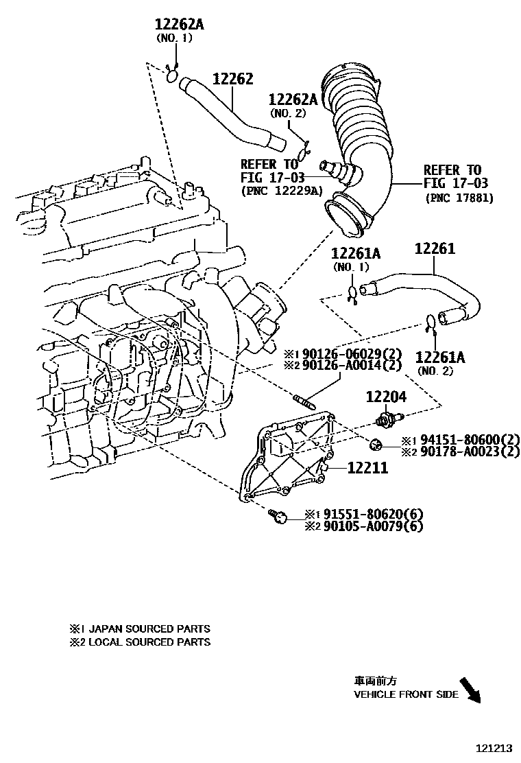
Toyota COROLLAVENTILATION HOSE

Parts diagram
12204VALVE SUB-ASSY, VENTILATION
main12204-37010i201608
12211CASE, VENTILATION, NO.1
main12211-0T020i201608
(L)
main12211-37010i201308-201608
(J)
12261HOSE, VENTILATION
main12261-37040i201308-201608
12261ACLIP OR CLAMP(FOR VENTILATION HOSE)
main90467-15120i201308-201608
NO.1
main90467-23002i201608
NO.2
12262HOSE, VENTILATION, NO.2
main12262-37020i201308-201608
12262ACLIP(FOR VENTILATION HOSE NO.2)
main90467-21004i201608
NO.1,NO.2
1703AIR CLEANER
90105A0079
9012606029
90126A0014
90178A0023
9155180620
9415180600

13 parts on this diagram · 1 diagram in section

VENTILATION HOSE for Toyota COROLLA

This section contains 13 genuine Toyota parts for the VENTILATION HOSE system of the Toyota COROLLA. Key components include: VALVE SUB-ASSY, VENTILATION, CASE, VENTILATION, NO.1, HOSE, VENTILATION, CLIP OR CLAMP(FOR VENTILATION HOSE), HOSE, VENTILATION, NO.2.