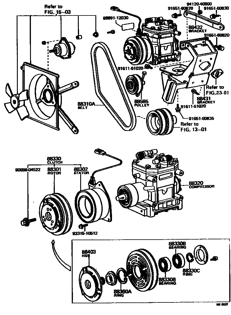
Toyota COROLLA — HEATING & AIR CONDITIONING - COMPRESSOR

1301CRANKSHAFT & PISTON
1603RADIATOR & WATER OUTLET
2301FUEL PUMP & PIPE
88301ROTOR SUB-ASSY, MAGNET CLUTCH
CAL.& H.A.
FEDERAL SPEC.
88302STATOR SUB-ASSY, MAGNET CLUTCH
CAL.& H.A.
FEDERAL SPEC.
88310ABELT, V (COOLER COMPRESSOR TO CRANKSHAFT PULLEY), NO.1
CAL.& H.A.
L=980
FEDERAL SPEC.
88320COMPRESSOR ASSY, COOLER
CAL.& H.A.
FEDERAL SPEC.
88330CLUTCH ASSY, MAGNET
CAL.& H.A.
FEDERAL SPEC.
88330BBEARING, MAGNET CLUTCH
88330CRING, SNAP (FOR MAGNET CLUTCH)
88360SEAL ASSY, COOLER COMPRESSOR SHAFT
88360ARING, COMPRESSOR SEAL PLATE SNAP
88403HUB SUB-ASSY, MAGNET CLUTCH
88431BRACKET, COMPRESSOR MOUNTING, NO.1
CAL.& H.A.
FEDERAL SPEC.
88432BRACKET, COMPRESSOR MOUNTING, NO.2
CAL.& H.A.
88595PULLEY, COOLER COMPRESSOR IDLE
8889112030PACKING (FOR COOLER)
main88891-12030
9009904522
main90099-04522
9161161020
main91611-61020
9165160820
main91651-60820
9165160830
main91651-60830
9165160835
main91651-60835
9331510512
main93315-10512
9412040800
main94120-40800
24 parts on this diagram · 4 diagrams in section
HEATING & AIR CONDITIONING - COMPRESSOR for Toyota COROLLA
This section contains 58 genuine Toyota parts for the HEATING & AIR CONDITIONING - COMPRESSOR system of the Toyota COROLLA. Key components include: CRANKSHAFT & PISTON, WATER PUMP, RADIATOR & WATER OUTLET, FUEL PUMP & PIPE, ROTOR SUB-ASSY, MAGNET CLUTCH.