Toyota COROLLA — DISTRIBUTOR

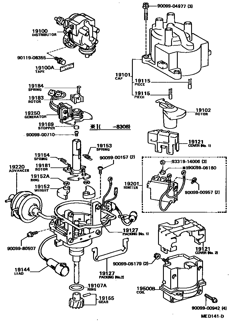
19100DISTRIBUTOR ASSY
*52
*52
DENSO IGNITER
MATSUSHITA IGNITER
DENSO IGNITER
MATSUSHITA IGNITER
W/KNOCK CONTROL
sub19100-16090
19100ATAPE, SEALING
sub90919-24003
19101CAP SUB-ASSY, DISTRIBUTOR
19107ARING, O, DISTRIBUTOR HOUSING
19115PIECE, DISTRIBUTOR CAP, CENTER
main19115-63010×2i3ALU..AE81..4F..DX;2ALU,4AELU..AE80,82;3ALU..AE81..FXD,FXG,FXL,GL,SE,SX,ZX198308-198503
19121COVER, DUST PROOF
NO.1
NO.2
NO.1
NO.2
19127PACKING, DUST PROOF
NO.1
NO.1
NO.2
19144LEAD, DISTRIBUTOR BREAKER
19152WEIGHT, GOVERNOR
19152ARING, SNAP(FOR GOVERNOR WEIGHT)
19153SPRING, GOVERNOR, A
*52
W/KNOCK CONTROL
19154SPRING, GOVERNOR, B
*52
W/KNOCK CONTROL
19155GEAR, SPIRAL, DISTRIBUTOR
19169STOPPER, CAM GREASE
19181ROTOR, DISTRIBUTOR, SIGNAL
sub19181-11074
sub19181-11290
sub19181-16260
MATSUSHITA IGNITER
sub19181-15270
sub19181-15270
19183ROTOR, SIGNAL
W/KNOCK CONTROL
19184SPRING, ROTOR SET
19220ADVANCER ASSY, VACUUM, DISTRIBUTOR
*52
9009900157
main90099-00157
9009900710
main90099-00710
9009900942
main90099-00942
9009900957
main90099-00957
9009904977
main90099-04977
9009905160
main90099-05160
9009905179
main90099-05179
9009980507
main90099-80507
9011908355
main90119-08355
9331914006
main93319-14006
32 parts on this diagram · 6 diagrams in section