Toyota COROLLA RUMION — FRONT SPRING & SHOCK ABSORBER

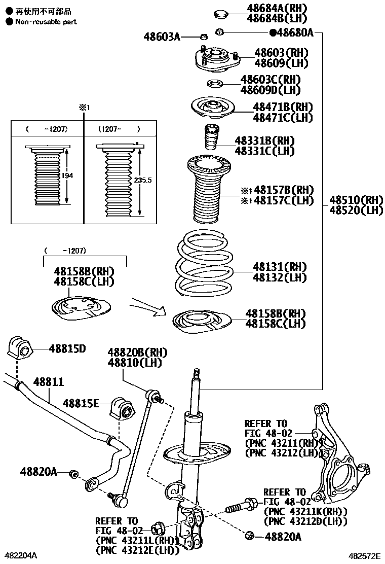
4802FRONT AXLE ARM & STEERING KNUCKLE
48131SPRING, FRONT COIL, RH
48132SPRING, FRONT COIL, LH
48157BINSULATOR, FRONT COIL SPRING, UPPER RH
48157CINSULATOR, FRONT COIL SPRING, UPPER LH
48158BINSULATOR, FRONT COIL SPRING, LOWER RH
48158CINSULATOR, FRONT COIL SPRING, LOWER LH
48331BBUMPER, FRONT SPRING, RH
48331CBUMPER, FRONT SPRING, LH
48471BSEAT, FRONT COIL SPRING, UPPER RH
48471CSEAT, FRONT COIL SPRING, UPPER LH
48510ABSORBER ASSY, SHOCK, FRONT RH
48520ABSORBER ASSY, SHOCK, FRONT LH
48603SUPPORT SUB-ASSY, FRONT SUSPENSION, RH
48603ANUT(FOR FRONT SUSPENSION SUPPORT)
48603CSEAL, DUST(FOR FRONT SUSPENSION SUPPORT RH)
48609SUPPORT SUB-ASSY, FRONT SUSPENSION, LH
48609DSEAL, DUST(FOR FRONT SUSPENSION SUPPORT LH)
48680ANUT(FOR FRONT SUPPORT TO FRONT SHOCK ABSORBER)
48684ACOVER, FRONT SUSPENSION SUPPORT DUST, RH
48684BCOVER, FRONT SUSPENSION SUPPORT DUST, LH
48810LINK ASSY, FRONT STABILIZER, LH
48811BAR, STABILIZER, FRONT
48815DBUSH, FRONT STABILIZER BAR, RH
48815EBUSH, FRONT STABILIZER BAR, LH
48820ANUT(FOR FRONT STABILIZER LINK)
48820BLINK ASSY, FRONT STABILIZER, RH
27 parts on this diagram · 1 diagram in section
FRONT SPRING & SHOCK ABSORBER for Toyota COROLLA RUMION
This section contains 27 genuine Toyota parts for the FRONT SPRING & SHOCK ABSORBER system of the Toyota COROLLA RUMION. Key components include: FRONT AXLE ARM & STEERING KNUCKLE, SPRING, FRONT COIL, RH, SPRING, FRONT COIL, LH, INSULATOR, FRONT COIL SPRING, UPPER RH, INSULATOR, FRONT COIL SPRING, UPPER LH.