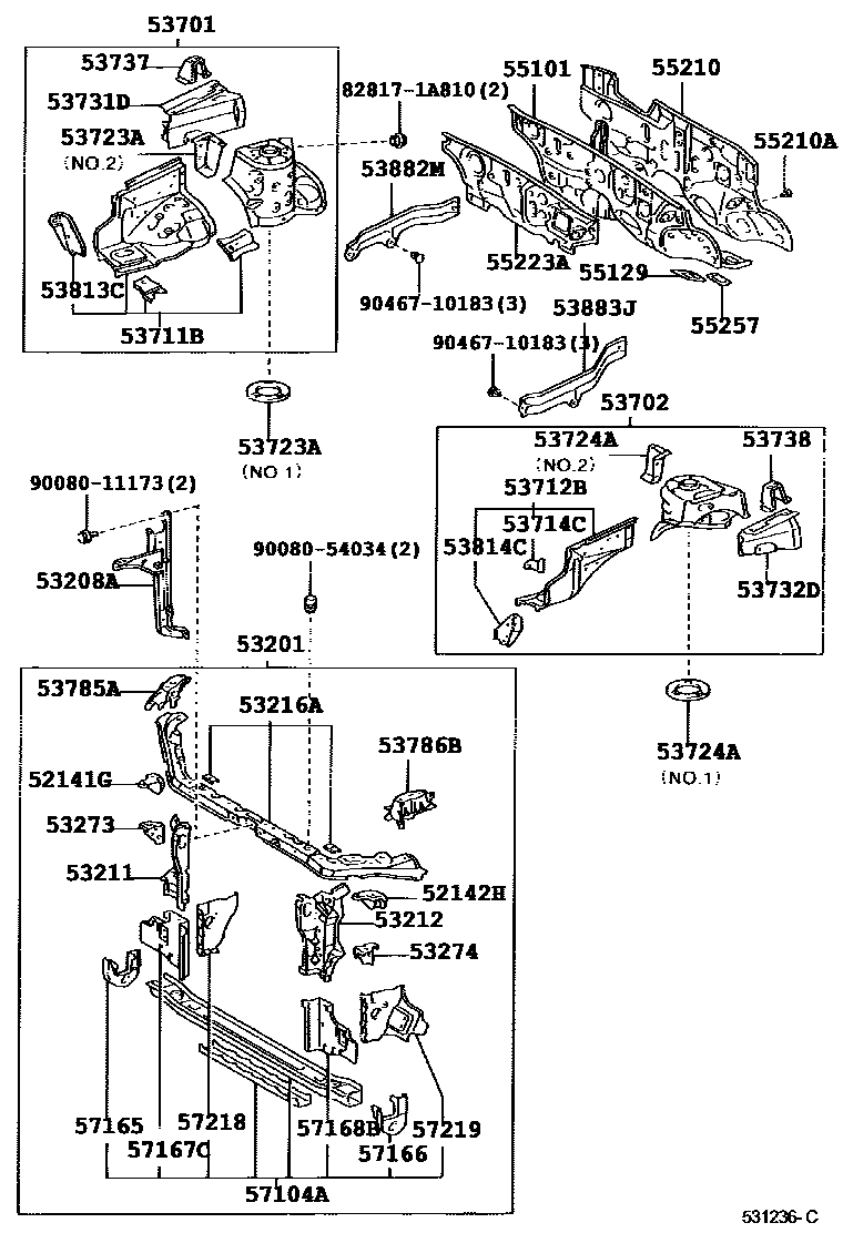
Toyota COROLLA/MATRIX (NAP) — FRONT FENDER APRON & DASH PANEL

52141GSTAY, FRONT BUMPER, RH
53201SUPPORT SUB-ASSY, RADIATOR
53208ASUPPORT SUB-ASSY, HOOD LOCK
53212SUPPORT, RADIATOR, LH
53216ASUPPORT, RADIATOR, UPPER
53273BRACKET, FRONT BUMPER ARM MOUNTING, RH
53274BRACKET, FRONT BUMPER ARM MOUNTING, LH
53701APRON SUB-ASSY, FRONT FENDER, RH
53702APRON SUB-ASSY, FRONT FENDER, LH
53711BAPRON, FRONT FENDER, FRONT RH
53712BAPRON, FRONT FENDER, FRONT LH
53714CEXTENSION, FRONT FENDER APRON, FRONT LH
53723AREINFORCEMENT, FRONT SPRING SUPPORT, RH
NO.1
MEXICO SPEC,NO.1; NO.1
NO.2
53724AREINFORCEMENT, FRONT SPRING SUPPORT, LH
main53723-01010iZZE130..NAP..5F..CE..USA;ZZE130..NAP..4FC..LE..USA; ZZE132,133,134..NAP200203-200301
NO.1
main53723-01011iZZE130..NAP..5F..CE..USA;ZZE130..NAP..4FC..LE..USA; ZZE132,133,134..NAP200301-200309
MEXICO SPEC,NO.1; NO.1
NO.2
53731DMEMBER, FRONT APRON TO COWL SIDE, UPPER RH
53732DMEMBER, FRONT APRON TO COWL SIDE, UPPER LH
53737PLATE, FRONT APRON TO COWL SIDE MEMBER, RH
53738PLATE, FRONT APRON TO COWL SIDE MEMBER, LH
53785AGUSSET, FRONT FENDER APRON, UPPER RH
53786BGUSSET, FRONT FENDER APRON, UPPER LH
53813CEXTENSION, FRONT FENDER, RH
53814CEXTENSION, FRONT FENDER, LH
53882MSEAL, FRONT FENDER
53883JSEAL, FRONT FENDER, LH
55101PANEL SUB-ASSY, DASH
W(REAR WINDOW WIPER)
W(REAR WINDOW WIPER)
W(REAR WINDOW WIPER)
W(REAR WINDOW WIPER)
55129COVER, DASH PANEL HOLE
RH
LH
55210INSULATOR ASSY, DASH PANEL
55210ACLIP
main90467-10005-B0×4iZZE130..NAP..(CE,LE); ZZE130..NAP..S; ZZE132,134..NAP;ZZE133..NAP..6F200201-200405
MD.CHARCOAL,TRIM1#; MD.CHARCOAL,TRIM1#,4#; MD.CHARCOAL,TRIM13,14
55223AINSULATOR, DASH PANEL, OUTER
55257COVER, DASH PANEL OPENING
57104AMEMBER SUB-ASSY, FRONT CROSS
57165REINFORCEMENT, FRONT CROSSMEMBER, LOWER RH
57166REINFORCEMENT, FRONT CROSSMEMBER, LOWER LH
57167CGUSSET, FRONT CROSSMEMBER SIDE, RH
57168BGUSSET, FRONT CROSSMEMBER SIDE, LH
57218GUSSET, FRONT SIDE MEMBER, NO.1
57219GUSSET, FRONT SIDE MEMBER, NO.2
828171A810PROTECTOR, WIRING HARNESS, NO.1
main82817-1A810
9008011173
main90080-11173
9008054034
main90080-54034
9046710183
main90467-10183
43 parts on this diagram · 2 diagrams in section
FRONT FENDER APRON & DASH PANEL for Toyota COROLLA/MATRIX (NAP)
This section contains 43 genuine Toyota parts for the FRONT FENDER APRON & DASH PANEL system of the Toyota COROLLA/MATRIX (NAP). Key components include: STAY, FRONT BUMPER, RH, STAY, FRONT BUMPER, LH, SUPPORT SUB-ASSY, RADIATOR, SUPPORT SUB-ASSY, HOOD LOCK, SUPPORT, RADIATOR, RH.