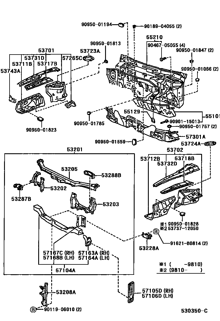
Toyota COROLLA LB — FRONT FENDER APRON & DASH PANEL

53201SUPPORT SUB-ASSY, RADIATOR
53202SUPPORT SUB-ASSY, RADIATOR, RH
53203SUPPORT SUB-ASSY, RADIATOR, LH
53205SUPPORT SUB-ASSY, RADIATOR, UPPER
53208ASUPPORT SUB-ASSY, HOOD LOCK
53228ABRACKET, RADIATOR MOUNTING, LOWER NO.1
53287BEXTENSION, RADIATOR SUPPORT, RH
53288BEXTENSION, RADIATOR SUPPORT, LH
53701APRON SUB-ASSY, FRONT FENDER, RH
53702APRON SUB-ASSY, FRONT FENDER, LH
53711BAPRON, FRONT FENDER, FRONT RH
53712BAPRON, FRONT FENDER, FRONT LH
53717BGUSSET, FENDER APRON, RH
53718BGUSSET, FENDER APRON, LH
53723AREINFORCEMENT, FRONT SPRING SUPPORT, RH
53724AREINFORCEMENT, FRONT SPRING SUPPORT, LH
53731DMEMBER, FRONT APRON TO COWL SIDE, UPPER RH
53732DMEMBER, FRONT APRON TO COWL SIDE, UPPER LH
53743AREINFORCEMENT, FRONT FENDER APRON, FRONT RH
55101PANEL SUB-ASSY, DASH
55129COVER, DASH PANEL HOLE
55210INSULATOR ASSY, DASH PANEL
57104AMEMBER SUB-ASSY, FRONT CROSS
57105DPLATE SUB-ASSY, FRONT SIDE MEMBER, RH
57106DPLATE SUB-ASSY, FRONT SIDE MEMBER, LH
57163AREINFORCEMENT, FRONT CROSSMEMBER, NO.1 RH
57164AREINFORCEMENT, FRONT CROSSMEMBER, NO.1 LH
57167CGUSSET, FRONT CROSSMEMBER SIDE, RH
57168BGUSSET, FRONT CROSSMEMBER SIDE, LH
57265CBRACKET, ENGINE MOUNTING, RH
57301AMEMBER SUB-ASSY, STEERING GEAR BOX SUPPORT
5373712050PLATE, FRONT APRON TO COWL SIDE MEMBER, RH
main53737-12050
9011906010
main90119-06010
9018904055
main90189-04055
9046705055
main90467-05055
9090115013
main90901-15013
9095001066
main90950-01066
9095001194
main90950-01194
9095001559
main90950-01559
9095001757
main90950-01757
9095001785
main90950-01785
9095001813
main90950-01813
9095001823
main90950-01823
9095001828
main90950-01828
9095001847
main90950-01847
91621B0814
main91621-B0814
46 parts on this diagram · 1 diagram in section