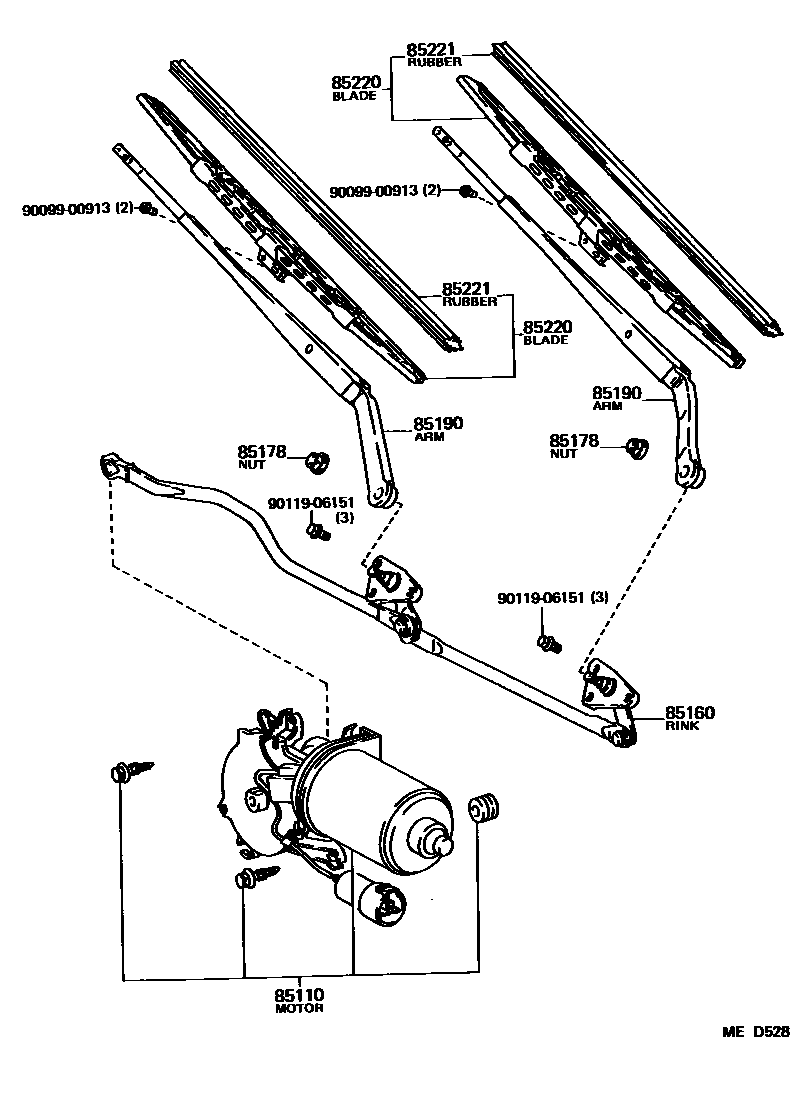
Toyota COROLLA FX — WINDSHIELD WIPER

85110MOTOR ASSY, WINDSHIELD WIPER
85160LINK ASSY, WINDSHIELD WIPER
85178NUT (FOR FRONT WIPER ARM SETTING)
85190ARM ASSY, WINDSHIELD WIPER
LH
RH
85220BLADE ASSY, WINDSHIELD WIPER
RH
85221BLADE, WINDSHIELD WIPER
9009900913
main90099-00913
9011906151
main90119-06151
8 parts on this diagram · 1 diagram in section