Toyota COROLLA FX — DISTRIBUTOR

1901
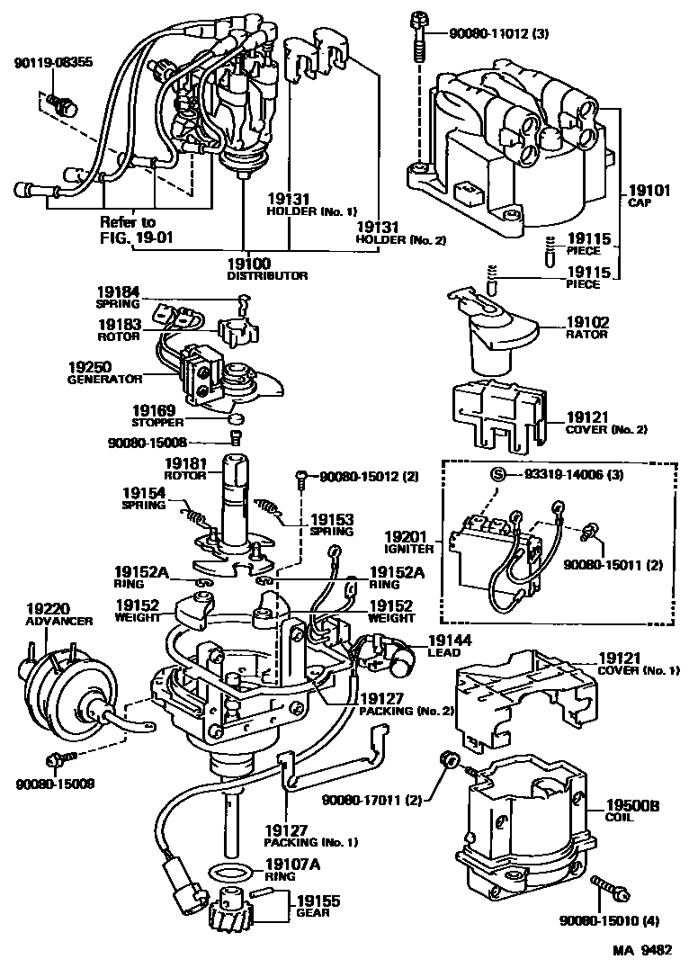
19100DISTRIBUTOR ASSY
19107ARING, O, DISTRIBUTOR HOUSING
19115PIECE, DISTRIBUTOR CAP, CENTER
19121COVER, DUST PROOF
NO.2
NO.2
NO.1
NO.1
19127PACKING, DUST PROOF
NO.2
NO.1
19131HOLDER, CORD
NO.1
NO.2
19144LEAD, DISTRIBUTOR BREAKER
19152WEIGHT, GOVERNOR
19152ARING, SNAP(FOR GOVERNOR WEIGHT)
19153SPRING, GOVERNOR, A
sub19153-16189
19154SPRING, GOVERNOR, B
19155GEAR, SPIRAL, DISTRIBUTOR
19169STOPPER, CAM GREASE
19181ROTOR, DISTRIBUTOR, SIGNAL
sub19181-16209
19183ROTOR, SIGNAL
19184SPRING, ROTOR SET
19201IGNITER
19220ADVANCER ASSY, VACUUM, DISTRIBUTOR
sub19220-16189
19250GENERATOR ASSY, SIGNAL
sub19251-16100
19500BCOIL ASSY, IGNITION
9008011012
main90080-11012
9008015008
main90080-15008
9008015009
main90080-15009
9008015010
main90080-15010
9008015011
main90080-15011
9008015012
main90080-15012
9008017011
main90080-17011
9011908355
main90119-08355
9331914006
main93319-14006
32 parts on this diagram · 2 diagrams in section