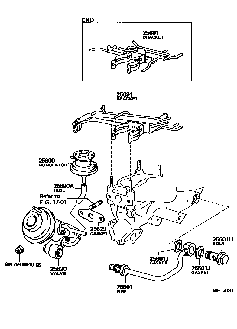
Toyota COROLLA CP — EXHAUST GAS RECIRCULATION SYSTEM

1701MANIFOLD
25601PIPE SUB-ASSY, EGR, NO.1
25601HBOLT, UNION(FOR EGR PIPE,NO.1)
25601JGASKET(FOR EGR PIPE, NO.1)
25620VALVE ASSY, EGR
CALIFORNIA SPEC
25629GASKET, EGR VALVE ADAPTER
25690MODULATOR ASSY, EGR VACUUM
CALIFORNIA SPEC
25690AHOSE(FOR EGR VACUUM MODULATOR)
25691BRACKET, EGR VACUUM MODULATOR
MARUYASU
SANOU
MARUYASU
SANOU
9017908040
main90179-08040
10 parts on this diagram · 2 diagrams in section
EXHAUST GAS RECIRCULATION SYSTEM for Toyota COROLLA CP
This section contains 19 genuine Toyota parts for the EXHAUST GAS RECIRCULATION SYSTEM system of the Toyota COROLLA CP. Key components include: MANIFOLD, PIPE SUB-ASSY, EGR, NO.1, SLEEVE, BALL, EGR PIPE, NO.1, NUT, UNION, EGR PIPE, NO.1, BOLT, UNION(FOR EGR PIPE,NO.1).