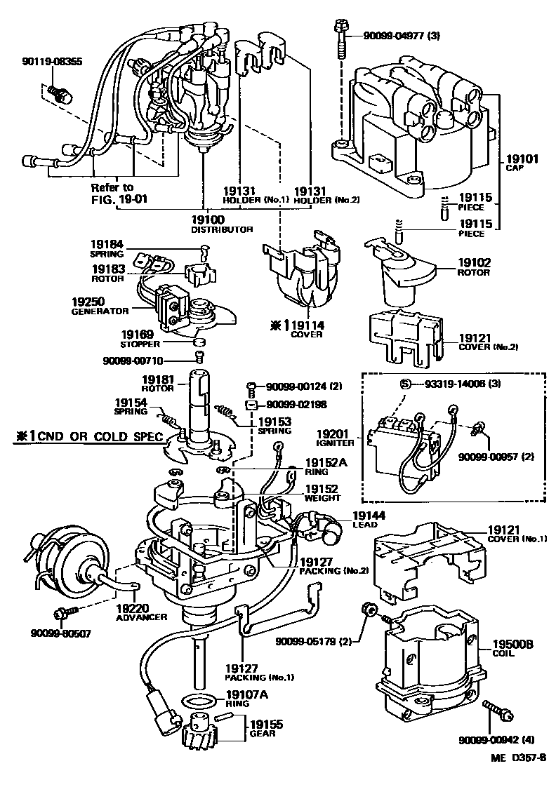
Toyota COROLLA CP — DISTRIBUTOR

1901IGNITION COIL & SPARK PLUG / GLOW PLUG
19100DISTRIBUTOR ASSY
19101CAP SUB-ASSY, DISTRIBUTOR
19102ROTOR SUB-ASSY, DISTRIBUTOR
19107ARING, O, DISTRIBUTOR HOUSING
19114COVER, WATER PROOF(FOR DISTRIBUTOR)
COLD SPEC
COLD SPEC
19115PIECE, DISTRIBUTOR CAP, CENTER
19121COVER, DUST PROOF
NO.2
NO.1
19127PACKING, DUST PROOF
NO.2
NO.1
19131HOLDER, CORD
NO.1
NO.2
19144LEAD, DISTRIBUTOR BREAKER
19152WEIGHT, GOVERNOR
19152ARING, SNAP(FOR GOVERNOR WEIGHT)
19153SPRING, GOVERNOR, A
19154SPRING, GOVERNOR, B
19155GEAR, SPIRAL, DISTRIBUTOR
19169STOPPER, CAM GREASE
19181ROTOR, DISTRIBUTOR, SIGNAL
19183ROTOR, SIGNAL
19184SPRING, ROTOR SET
19201IGNITER
19220ADVANCER ASSY, VACUUM, DISTRIBUTOR
19250GENERATOR ASSY, SIGNAL
19500BCOIL ASSY, IGNITION
9009900124
main90099-00124
9009900710
main90099-00710
9009900942
main90099-00942
9009900957
main90099-00957
9009902198
main90099-02198
9009904977
main90099-04977
9009905179
main90099-05179
9009980507
main90099-80507
9011908355
main90119-08355
9331914006
main93319-14006
34 parts on this diagram · 3 diagrams in section
DISTRIBUTOR for Toyota COROLLA CP
This section contains 41 genuine Toyota parts for the DISTRIBUTOR system of the Toyota COROLLA CP. Key components include: IGNITION COIL & SPARK PLUG / GLOW PLUG, DISTRIBUTOR ASSY, CAP SUB-ASSY, DISTRIBUTOR, ROTOR SUB-ASSY, DISTRIBUTOR, RING, O, DISTRIBUTOR HOUSING.