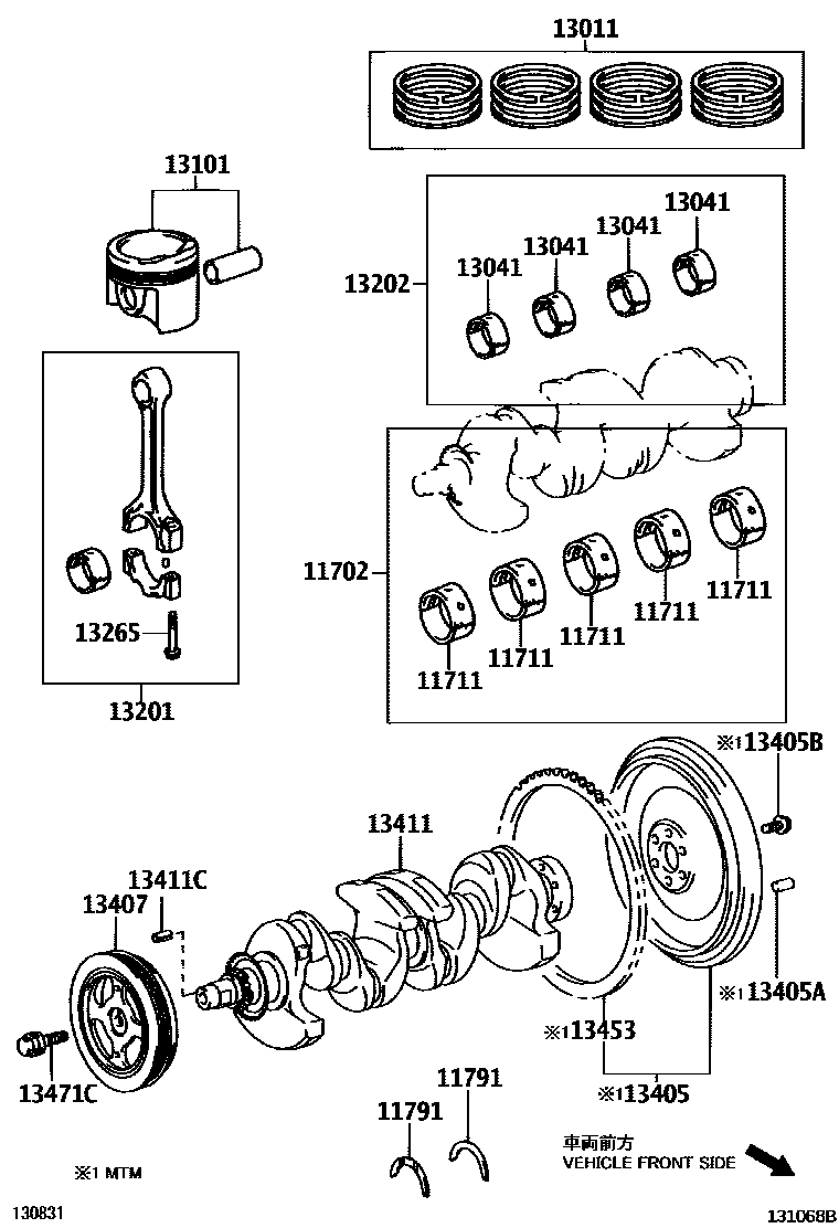
Toyota COROLLA AXIO/FIELDER — CRANKSHAFT & PISTON

11702BEARING SET, CRANKSHAFT
11711BEARING, CRANKSHAFT
11791WASHER, CRANKSHAFT THRUST, UPPER
13011RING SET, PISTON
13041BEARING, CONNECTING ROD
13101PISTON SUB-ASSY, W/PIN
13201ROD SUB-ASSY, CONNECTING
13202BEARING SET, CONNECTING ROD
13265BOLT, CONNECTING ROD
13405FLYWHEEL SUB-ASSY
13405APIN, STRAIGHT(FOR FLYWHEEL)
13405BBOLT, FLYWHEEL SETTING
13407DAMPER SUB-ASSY, CRANKSHAFT
13411CRANKSHAFT
13411CPIN, STRAIGHT(FOR CRANKSHAFT)
13453GEAR, FLYWHEEL RING
13471PULLEY, CRANKSHAFT
13471CBOLT(FOR CRANKSHAFT PULLEY SET)
18 parts on this diagram · 2 diagrams in section
CRANKSHAFT & PISTON for Toyota COROLLA AXIO/FIELDER
This section contains 24 genuine Toyota parts for the CRANKSHAFT & PISTON system of the Toyota COROLLA AXIO/FIELDER. Key components include: BEARING SET, CRANKSHAFT, BEARING, CRANKSHAFT, WASHER, CRANKSHAFT THRUST, UPPER, RING SET, PISTON, BEARING, CONNECTING ROD.