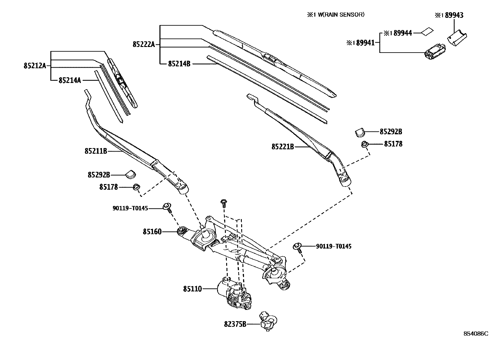
Toyota COROLLA/ALTIS — WINDSHIELD WIPER

82375BWIRE, WIPER MOTOR
85110MOTOR ASSY, WINDSHIELD WIPER
85160LINK ASSY, WINDSHIELD WIPER
85178NUT (FOR FRONT WIPER ARM SETTING)
main90182-T0029×2iZWE211..(G,V)..TH;ZWE211..GEN,IDN,PHL,SGP,VN;ZRE210,211..CVT..(D,E,G,V)..(GEN,IDN,MA,PHL,SGP,TH,VN)201908-202306
85211BARM, FRONT WIPER, RH
85212ABLADE, FR WIPER, RH
main85212-52220iZRE211..VN;ZWE211..X..PHL;ZWE211..GCC,TAIW,VN;MZEA11,12,ZRE210..(N,V,X)..(GCC,GEN,TAIW);MZEA17,18,ZRE211,217,218..(D,E,X)..(GCC,PHL,TAIW)202304
85214ARUBBER, WIPER, RH
main85214-68030iZRE211..VN;ZWE211..X..PHL;ZWE211..GCC,TAIW,VN;MZEA11,12,ZRE210..(N,V,X)..(GCC,GEN,TAIW);MZEA17,18,ZRE211,217,218..(D,E,X)..(GCC,PHL,TAIW)202304
85214BRUBBER, WIPER, LH
85221BARM, FRONT WIPER, LH
85222ABLADE, FR WIPER, LH
85292BCAP, FRONT WIPER ARM HEAD
89941SENSOR, RAIN
89943COVER, RAIN SENSOR
89944TAPE, RAIN SENSOR
90119T0145
main90119-T0145
15 parts on this diagram · 2 diagrams in section
WINDSHIELD WIPER for Toyota COROLLA/ALTIS
This section contains 15 genuine Toyota parts for the WINDSHIELD WIPER system of the Toyota COROLLA/ALTIS. Key components include: WIRE, WIPER MOTOR, MOTOR ASSY, WINDSHIELD WIPER, LINK ASSY, WINDSHIELD WIPER, NUT (FOR FRONT WIPER ARM SETTING), ARM, FRONT WIPER, RH.