E
ToyotaEPC

Toyota COROLLA/ALTISRADIO RECEIVER & AMPLIFIER & CONDENSER

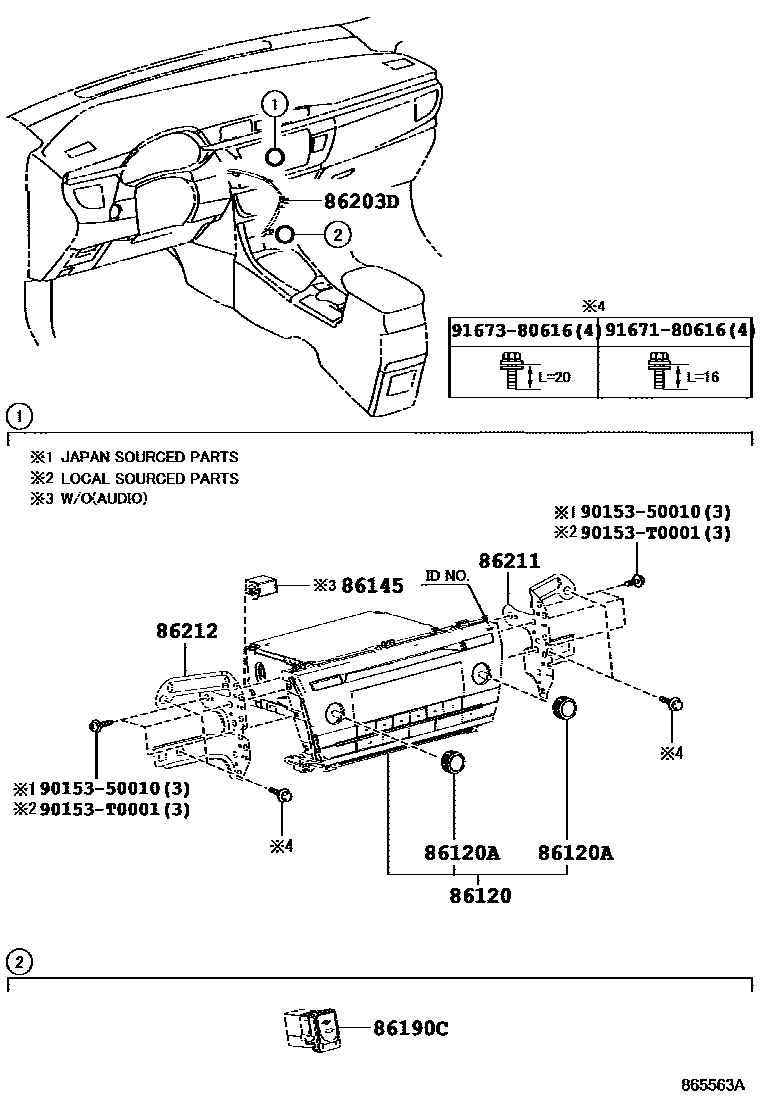
Parts diagram
86120RECEIVER ASSY, RADIO
main86120-02G30i201310-201409
PANASONIC,ID=528CE
main86120-02G40i201312-201610
PANASONIC,ID=528CA
main86120-02G50i201312-201610
PANASONIC,ID=528CC; PANASONIC,ID=528CC,LOW GRADE PACKAGE
main86120-02G60i201312-201610
PANASONIC,ID=528C8
main86120-02G70i201312-201610
PANASONIC,ID=528C7
main86120-02K20i201611-201801
PANASONIC,ID=510223
main86120-02K21i201802-201907
PANASONIC,ID=510334
main86120-02K30i201611-201907
PANASONIC,ID=510224
main86120-02K40i201610-201710
PANASONIC,ID=510220
main86120-02K41i201711-201903
PANASONIC,ID=510220
main86120-02C60i201312-201610
PANASONIC,ID=528CD,CARIBBEAN NATIONS SPEC; PANASONIC,ID=528CD,JAMAICA SPEC
main86120-02C70supersedes 86120-02K90i201312-201610
PANASONIC,ID=528C9,CARIBBEAN NATIONS SPEC; PANASONIC,ID=528C9,JAMAICA SPEC
main86120-02J70i201512-201609
PANASONIC,ID=510173,AUDIO-AM/FM & CD & USB & *BT & 4SPEAKER; PANASONIC,ID=510173,AUDIO-AM/FM & CD & USB & *BT & 6SPEAKER
main86120-02K50i201610-201710
PANASONIC,ID=510221,AUDIO-AM/FM & CD & USB & *BT & 4SPEAKER; PANASONIC,ID=510221,AUDIO-AM/FM & CD & USB & *BT & 6SPEAKER
main86120-02K51i201711-201802
PANASONIC,ID=510221,AUDIO-AM/FM & CD & USB & *BT & 4SPEAKER; PANASONIC,ID=510221,AUDIO-AM/FM & CD & USB & *BT & 6SPEAKER
main86120-02K52i201803-201903
PANASONIC,ID=510333,AUDIO-AM/FM & CD & USB & *BT & 4SPEAKER; PANASONIC,ID=510333,AUDIO-AM/FM & CD & USB & *BT & 6SPEAKER
main86120-02K60i201611-201907
PANASONIC,ID=510222,CARIBBEAN NATIONS SPEC; PANASONIC,ID=510222,CARIBBEAN NATIONS SPEC&AUDIO-AM/FM & CD & USB & *BT & 6SPEAKER; PANASONIC,ID=510222,JAMAICA SPEC
main86120-02K70i201611-201907
PANASONIC,ID=510225,JAMAICA SPEC&AUDIO-AM/FM & CD & USB & 4SPEAKER
86120AKNOB, RADIO RECEIVER SWITCH
main90011-25217×2i201310-201609
AUDIO-RADIO LESS & 6SPEAKER; X PACKAGE(REAR EMBLEM "X")
main90011-25227×2i201312-201512
main90010-24172×2i201512-201609
AUDIO-AM/FM & CD & USB & *BT & 4SPEAKER; AUDIO-AM/FM & CD & USB & *BT & 6SPEAKER
86145CONNECTOR, ANTENNA MALE
main86145-52010i201310-201511
86190CADAPTER ASSY, STEREO JACK, NO.1
main86190-0K030i201611-201907
main86190-52060i201312-201610
LOW GRADE PACKAGE
86203DWIRE, STEREO COMPONENT, NO.1
main86203-12490i201312-201610
LOW GRADE PACKAGE
main86203-12510i201611-201907
86211BRACKET, RADIO, NO.1
main86211-02330i201312-201610
main86211-02340i201310-201409
main86211-02350i201407-201707
main86211-02370i201405-201702
main86211-02460i201611-202201
main86211-02480i201610-201903
main86211-02490i201703-201906
main86211-02500i201707-202109
86212BRACKET, RADIO, NO.2
main86212-02320i201312-201512
main86212-02330i201512-201609
main86212-02340i201407-201707
main86212-02360i201405-201702
main86212-02460i201611-202201
main86212-02480i201610-201903
main86212-02490i201703-201906
main86212-02500i201707
9015350010
90153T0001
9167180616
9167380616

11 parts on this diagram · 4 diagrams in section

RADIO RECEIVER & AMPLIFIER & CONDENSER for Toyota COROLLA/ALTIS

This section contains 15 genuine Toyota parts for the RADIO RECEIVER & AMPLIFIER & CONDENSER system of the Toyota COROLLA/ALTIS. Key components include: CONDENSER, RADIO SETTING, RECEIVER ASSY, RADIO, KNOB, RADIO RECEIVER SWITCH, CONNECTOR, ANTENNA MALE, ADAPTER ASSY, STEREO JACK, NO.1.