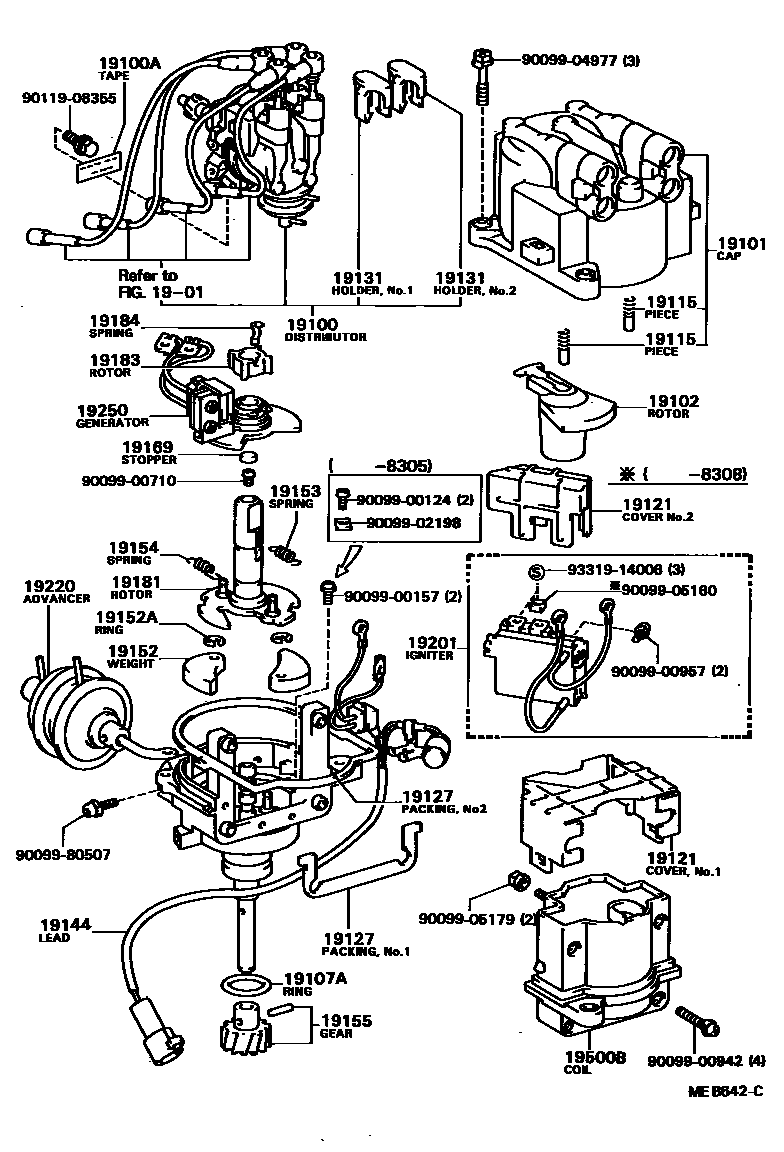
Toyota COROLLA 2 — DISTRIBUTOR

1901IGNITION COIL & SPARK PLUG / GLOW PLUG
19100DISTRIBUTOR ASSY
W/KNOCK CONTROL
W/KNOCK CONTROL
19100ATAPE, SEALING
19101CAP SUB-ASSY, DISTRIBUTOR
19102ROTOR SUB-ASSY, DISTRIBUTOR
19107ARING, O, DISTRIBUTOR HOUSING
19115PIECE, DISTRIBUTOR CAP, CENTER
19121COVER, DUST PROOF
NO.2
NO.1
W/KNOCK CONTROL
NO.1
W/KNOCK CONTROL
19127PACKING, DUST PROOF
NO.2
NO.1
19131HOLDER, CORD
NO.1
NO.2
19144LEAD, DISTRIBUTOR BREAKER
W/KNOCK CONTROL
19152WEIGHT, GOVERNOR
19152ARING, SNAP(FOR GOVERNOR WEIGHT)
19153SPRING, GOVERNOR, A
W/KNOCK CONTROL
W/KNOCK CONTROL
W/KNOCK CONTROL
19154SPRING, GOVERNOR, B
W/KNOCK CONTROL
W/KNOCK CONTROL
W/KNOCK CONTROL
19155GEAR, SPIRAL, DISTRIBUTOR
19169STOPPER, CAM GREASE
19181ROTOR, DISTRIBUTOR, SIGNAL
W/KNOCK CONTROL
W/KNOCK CONTROL
19183ROTOR, SIGNAL
W/KNOCK CONTROL
19184SPRING, ROTOR SET
19220ADVANCER ASSY, VACUUM, DISTRIBUTOR
W/KNOCK CONTROL
W/KNOCK CONTROL
19250GENERATOR ASSY, SIGNAL
W/KNOCK CONTROL
W/KNOCK CONTROL
19500BCOIL ASSY, IGNITION
W/KNOCK CONTROL
W/KNOCK CONTROL
9009900124
main90099-00124
9009900157
main90099-00157
9009900710
main90099-00710
9009900942
main90099-00942
9009900957
main90099-00957
9009902198
main90099-02198
9009904977
main90099-04977
9009905160
main90099-05160
9009905179
main90099-05179
9009980507
main90099-80507
9011908355
main90119-08355
9331914006
main93319-14006
36 parts on this diagram · 4 diagrams in section
DISTRIBUTOR for Toyota COROLLA 2
This section contains 41 genuine Toyota parts for the DISTRIBUTOR system of the Toyota COROLLA 2. Key components include: IGNITION COIL & SPARK PLUG / GLOW PLUG, DISTRIBUTOR ASSY, TAPE, SEALING, CAP SUB-ASSY, DISTRIBUTOR, ROTOR SUB-ASSY, DISTRIBUTOR.