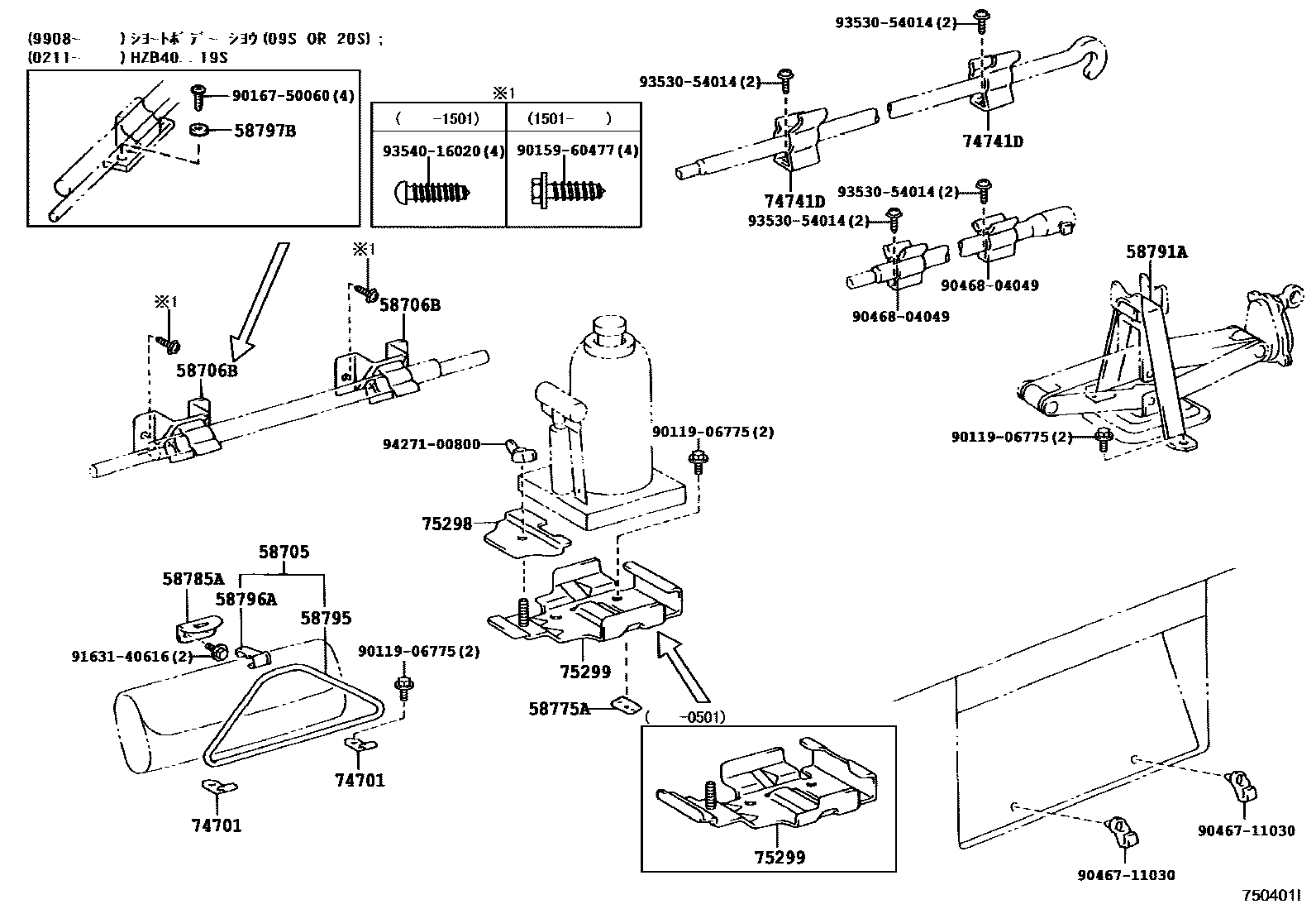
Toyota COASTER — TOOL BOX & LICENSE PLATE BRACKET

58705BAND SUB-ASSY, TOOL BAG
58706BCLAMP SUB-ASSY, JACK HANDLE
GREIGE,TRIM4#
58775ARETAINER, JACK REST
58785ABRACKET, TOOL BAG BAND
ORANGE,TRIM4#
MD.CHARCOAL,TRIM1#
GREIGE,TRIM4#
58791ACARRIER, JACK
58795BAND, JACK CLAMP, NO.1
58796AHOOK, JACK CLAMP
58797BBAND, JACK CLAMP
74701CLAMP SUB-ASSY, TOOL BAG
ORANGE,TRIM4#
MD.CHARCOAL,TRIM1#
GRAIGE,TRIM4#
74741DSPRING, HANDLE SUPPORT
75298PLATE, JACK HOLDER
75299BASE, JACK HOLDER
9011906775
main90119-06775
9015960477
main90159-60477
9016750060
main90167-50060
9046711030
main90467-11030
9046804049
main90468-04049
9163140616
main91631-40616
9353054014
main93530-54014
9354016020
main93540-16020
9427100800
main94271-00800
21 parts on this diagram · 1 diagram in section
TOOL BOX & LICENSE PLATE BRACKET for Toyota COASTER
This section contains 21 genuine Toyota parts for the TOOL BOX & LICENSE PLATE BRACKET system of the Toyota COASTER. Key components include: BAND SUB-ASSY, TOOL BAG, CLAMP SUB-ASSY, JACK HANDLE, RETAINER, JACK REST, BRACKET, TOOL BAG BAND, CARRIER, JACK.