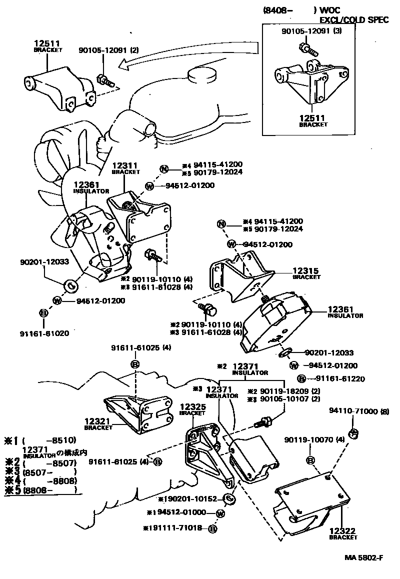
Toyota COASTER — MOUNTING

12311BRACKET, ENGINE MOUNTING, FRONT NO.1 RH
12315BRACKET, ENGINE MOUNTING, FRONT NO.1 LH
12321BRACKET, ENGINE MOUNTING, REAR, NO.1
RH
RH
RH
LH
LH
LH
12322BRACKET, ENGINE MOUNTING, REAR NO.2
12325BRACKET, ENGINE MOUNTING, NO.3
12361INSULATOR, ENGINE MOUNTING, FRONT
RH
LH
12371INSULATOR, ENGINE MOUNTING, REAR NO.1
12511BRACKET, ALTERNATOR, NO.1
W/ALTERNATOR=24V 85A; W/TV & VIDEO
COLD SPEC
COLD SPEC
W/ALTERNATOR=24V 85A; W/TV & VIDEO
COLD SPEC
W/TV & VIDEO
9010510107
main90105-10107
9010512091
main90105-12091
9011910070
main90119-10070
9011910110
main90119-10110
9011918209
main90119-18209
9017912024
main90179-12024
9020110152
main90201-10152
9020112033
main90201-12033
9111171018
main91111-71018
9116161020
main91161-61020
9116161220
main91161-61220
9161161025
main91611-61025
9161161028
main91611-61028
9411071000
main94110-71000
9411541200
main94115-41200
9451201000
main94512-01000
9451201200
main94512-01200
25 parts on this diagram · 4 diagrams in section
MOUNTING for Toyota COASTER
This section contains 46 genuine Toyota parts for the MOUNTING system of the Toyota COASTER. Key components include: BRACKET, ENGINE MOUNTING, FRONT NO.1 RH, BRACKET, ENGINE MOUNTING, FRONT NO.1 LH, BRACKET, ENGINE MOUNTING, REAR, NO.1, BRACKET, ENGINE MOUNTING, REAR NO.2, BRACKET, ENGINE MOUNTING, NO.3.