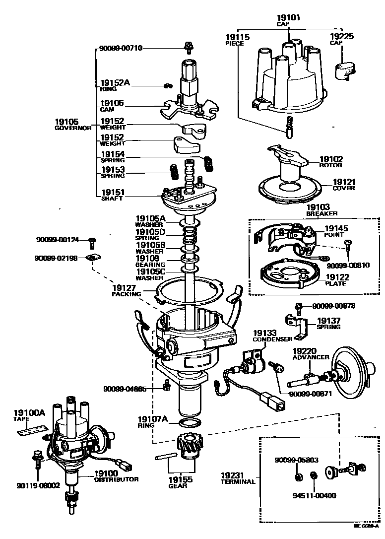
Toyota COASTER — DISTRIBUTOR

19100DISTRIBUTOR ASSY
19100ATAPE, SEALING
sub90919-24003
19101CAP SUB-ASSY, DISTRIBUTOR
19103BREAKER SUB-ASSY, DISTRIBUTOR
19105GOVERNOR SUB-ASSY
19105AWASHER(FOR GOVERNOR SHAFT THRUST)
19105BWASHER, NO.2(FOR GOVERNOR SHAFT THRUST)
19105CWASHER, NO.3(FOR GOVERNOR SHAFT THRUST)
19105DSPRING, NO.1(FOR GOVERNOR SHAFT THRUST)
19106CAM SUB-ASSY, DISTRIBUTOR
19107ARING, O, DISTRIBUTOR HOUSING
sub90099-14090
19109BEARING, THRUST
19115PIECE, DISTRIBUTOR CAP, CENTER
19122PLATE, STATIONARY, DISTRIBUTOR
19127PACKING, DUST PROOF
19133CONDENSER, DISTRIBUTOR
19137SPRING SUB-ASSY, DAMPER
19145POINT, DISTRIBUTOR
19151SHAFT, GOVERNOR
19152WEIGHT, GOVERNOR
19152ARING, SNAP(FOR GOVERNOR WEIGHT)
19153SPRING, GOVERNOR, A
19154SPRING, GOVERNOR, B
19155GEAR, SPIRAL, DISTRIBUTOR
19220ADVANCER ASSY, VACUUM, DISTRIBUTOR
19225CAP, RUBBER
19231TERMINAL, DISTRIBUTOR
9009900124
main90099-00124
9009900710
main90099-00710
9009900810
main90099-00810
9009900871
main90099-00871
9009900878
main90099-00878
9009902198
main90099-02198
9009904865
main90099-04865
9009905803
main90099-05803
9011908002
main90119-08002
9451100400
main94511-00400
39 parts on this diagram · 2 diagrams in section