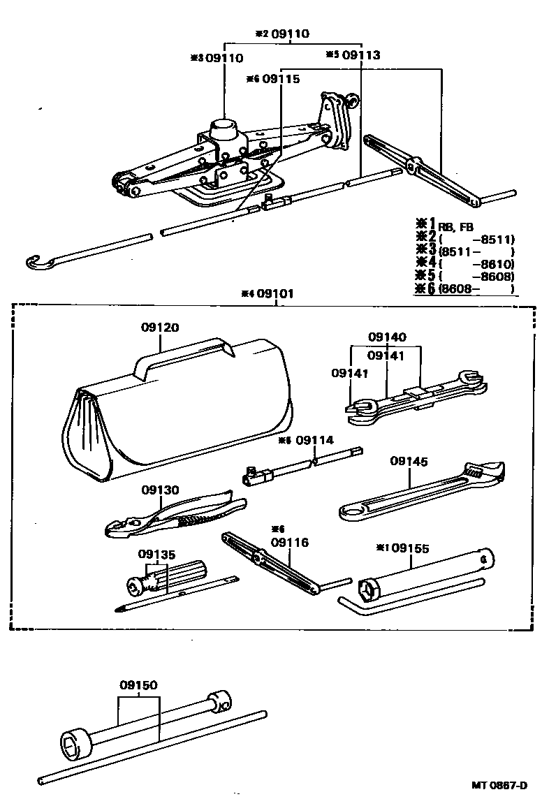
Toyota COASTER — STANDARD TOOL

09101TOOL SET, STANDARD W/O JACK
09110JACK ASSY
09113HANDLE, JACK
09114EXTENSION SUB-ASSY, JACK HANDLE
09115ROD SUB-ASSY, JACK HANDLE
09116LEVER, JACK HANDLE
sub09116-35041
09120BAG, TOOL
09130PLIERS
09135DRIVER, SCREW
09140SPANNER SET
09141SPANNER
10 X 12,10X12
14 X 17,14X17
09145WRENCH, MONKEY
09150WRENCH, HUB NUT BOX
14 parts on this diagram · 1 diagram in section