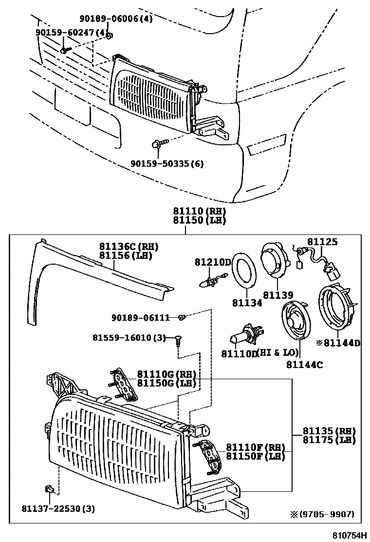
Toyota COASTER — HEADLAMP

81110HEADLAMP ASSY, RH
sub81110-36182
24V
W(SEMI-SEALED BEAM HEADLAMP),12V
sub81110-36232
sub81110-36232
W(SEMI-SEALED BEAM HEADLAMP),12V
12V
W(SEMI-SEALED BEAM HEADLAMP),24V
sub81110-36261
main81110-36261iBB42..LHD..HRF..WOC;BB50..STD..GEN..CBU..5F..TD;BB42,HZB50..LHD..(26S,30S)..WC..GEN199308-200306
CHINA SPEC
sub81110-36262
sub81110-36262
W(SEMI-SEALED BEAM HEADLAMP),24V
24V
CHINA SPEC
CHINA SPEC
sub81130-36320
24V
81110DBULB(FOR HEADLAMP, NO.2)
12V 45/40W,WHITE
12V 60/55W,HALOGEN
12V 55W,HALOGEN
24V 55/50W,WHITE
24V 55/50W,WHITE,CHINA SPEC
24V 75/70W,*HAL *WH
24V 70W
12V 60/55W,*HAL *WH,CHINA SPEC & W(E-MARK)
sub90981-13055
81110FGEAR UNIT ASSY, RH NO.1
81110GGEAR UNIT ASSY, RH NO.2
81125CORD, HEADLAMP
81134GASKET, HEADLAMP
81135UNIT ASSY, HEADLAMP, RH
CHINA SPEC
SINGAPORE SPEC
SINGAPORE SPEC
81136CRIM, HEADLAMP, RH
81139COVER, HEADLAMP SOCKET
81144CCOVER, HEADLAMP SOCKET
main90075-65002iBB42..17S,22S;BB43,5#,RZB40,50..HRF..GEN;BB42,HZB50..LHD..HRF..(20S,26S,30S)..WC..GEN199705-200708
81144DCAP, HEADLAMP LOCKING
main90075-99057iBB50,RZB40..HRF..WC..GEN;BB42,RZB50..HRF..(17S,22S,30S)..(GEN,SCO);BB42,HZB50..LHD..HRF..(20S,26S,30S)..WC..GEN199705-199907
81150HEADLAMP ASSY, LH
sub81150-36162
sub81150-36171
24V
12V
sub81150-36192
W(SEMI-SEALED BEAM HEADLAMP),12V
sub81150-36212
sub81150-36212
12V
W(SEMI-SEALED BEAM HEADLAMP),12V
main81150-36221iHZB50..RHD..SRF;BB42,HZB50..RHD..HRF..WOC..GEN;BB43,HZB50..RHD..(17S,20S,22S)..GEN199308-200306
sub81150-36222
W(SEMI-SEALED BEAM HEADLAMP),24V
sub81150-36241
W(SEMI-SEALED BEAM HEADLAMP),24V
sub81150-36242
sub81150-36242
W(SEMI-SEALED BEAM HEADLAMP),24V
24V
CHINA SPEC
CHINA SPEC
sub81170-36300
BATTERY=(55D23R X2) OR (95D31R X2)
81150FGEAR UNIT ASSY, LH NO.1
81150GGEAR UNIT ASSY, LH NO.2
81156RIM, HEADLAMP, LH
main81156-36150iBB42..17S,22S;BB43,5#,RZB40,50..HRF..GEN;BB42,HZB50..LHD..HRF..(20S,26S,30S)..WC..GEN199705-200211
81175UNIT ASSY, HEADLAMP, LH
CHINA SPEC
SINGAPORE SPEC
SINGAPORE SPEC
81210DBULB, FOG LAMP
12V 55W,HALOGEN
12V 55W,HALOGEN,CHINA SPEC & W(FOG LAMP-HALOGEN)
24V 55W,*WSB
24V 70W
8113722530PROTECTOR, HEADLAMP, NO.2 RH
main81137-22530
8155916010MOULDING, REAR COMBINATION LAMP, RH
main81559-16010
9015950335
main90159-50335
9015960247
main90159-60247
9018906006
main90189-06006
9018906111
main90189-06111
23 parts on this diagram · 4 diagrams in section