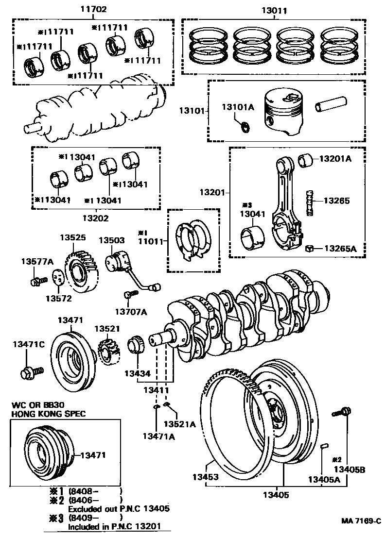
Toyota COASTER — CRANKSHAFT & PISTON

11011WASHER SET, CRANKSHAFT THRUST
STD
STD,STD
STD,STD
STD,STD
STD,STD
STD,STD
STD,STD
STD,STD
O/S 0.125,O/S 0.125
O/S 0.125,O/S 0.125
O/S 0.125,O/S 0.125
O/S 0.125,O/S 0.125
O/S 0.125,O/S 0.125
O/S 0.125,O/S 0.125
O/S 0.125,O/S 0.125
O/S 0.250,O/S 0.250
O/S 0.250,O/S 0.250
O/S 0.250,O/S 0.250
O/S 0.250,O/S 0.250
O/S 0.250,O/S 0.250
O/S 0.250,O/S 0.250
O/S 0.250,O/S 0.250
11702BEARING SET, CRANKSHAFT
STD,STD
STD,STD
U/S 0.25,U/S 0.25
U/S 0.25,U/S 0.25
U/S 0.25,U/S 0.25
U/S 0.25,U/S 0.25
U/S 0.25,U/S 0.25
U/S 0.25,U/S 0.25
U/S 0.25,U/S 0.25
U/S 0.25,U/S 0.25
U/S 0.50,U/S 0.50
U/S 0.50,U/S 0.50
U/S 0.50,U/S 0.50
U/S 0.50,U/S 0.50
U/S 0.50,U/S 0.50
U/S 0.50,U/S 0.50
U/S 0.75,U/S 0.75
U/S 1.00,U/S 1.00
U/S 1.00,U/S 1.00
U/S 1.00,U/S 1.00
U/S 1.00,U/S 1.00
11711BEARING, CRANKSHAFT
NO.2,MARK"1",MARK 1
NO.2,MARK"2",MARK 2
NO.2,MARK"3",MARK 3
NO.2,MARK"4",MARK 4
NO.2,MARK"5",MARK 5
NO.2,MARK"1",MARK 1
NO.2,MARK"2",MARK 2
NO.2,MARK"3",MARK 3
NO.3,MARK"1",MARK 1
NO.3,MARK"2",MARK 2
NO.3,MARK"3",MARK 3
NO.3,MARK"4",MARK 4
NO.3,MARK"5",MARK 5
NO.4,MARK"1",MARK 1
NO.4,MARK"2",MARK 2
NO.4,MARK"3",MARK 3
NO.4,MARK"4",MARK 4
NO.4,MARK"5",MARK 5
MARK 2,MARK 2
MARK 3,MARK 3
MARK 4,MARK 4
MARK 5,MARK 5
MARK 6,MARK 6
MARK"3",MARK 3
MARK"4",MARK 4
MARK"5",MARK 5
MARK"1",MARK 1
MARK"2",MARK 2
MARK"1",MARK1
MARK"2",MARK2
NO.1,MARK"1",MARK 1
NO.1,MARK"2",MARK 2
NO.1,MARK"3",MARK 3
NO.1,MARK"4",MARK 4
NO.1,MARK"5",MARK 5
NO.1,MARK"1",MARK 1
NO.1,MARK"2",MARK 2
NO.1,MARK"3",MARK 3
13011RING SET, PISTON
STD,STD
STD,STD
STD
STD,STD,CHINA SPEC
STD,STD,CHINA SPEC
STD,STD
STD,STD
STD,STD
STD,STD
STD
STD,STD
STD,STD
STD
STD,STD
STD,STD
STD,STD
O/S 0.50,O/S 0.50
O/S 0.50,O/S 0.50
O/S 0.50
O/S 0.50,O/S 0.50
O/S 0.50,O/S 0.50,CHINA SPEC
O/S 0.50,O/S 0.50
O/S 0.50,O/S 0.50
O/S 0.50,O/S 0.50
O/S 0.50,O/S 0.50
O/S 0.50
O/S 0.50,O/S 0.50
O/S 0.50,O/S 0.50
O/S 0.50,O/S 0.50
O/S 0.75,O/S 0.75
O/S 0.75,O/S 0.75
O/S 1.00
O/S 1.00,O/S 1.00
O/S 1.00,O/S 1.00,CHINA SPEC
O/S 1.00,O/S 1.00
O/S 1.00,O/S 1.00
O/S 1.00,O/S 1.00
O/S 1.00,O/S 1.00
O/S 1.00
O/S 1.00,O/S 1.00
O/S 1.50
O/S 1.50,O/S 1.50
13041BEARING, CONNECTING ROD
MARK 2,MARK 2
MARK 3,MARK 3
MARK 4,MARK 4
MARK 5,MARK 5
MARK 6,MARK 6
MARK"A",MARK A
MARK"B",MARK B
MARK"C",MARK C
MARK"A",MARK A
MARK"B",MARK B
MARK"C",MARK C
MARK"1",MARK1
MARK"2",MARK2
MARK"1",MARK 1
MARK"2",MARK 2
MARK"1",MARK 1
MARK"2",MARK 2
MARK"1",MARK 1
MARK"2",MARK 2
13101PISTON SUB-ASSY, W/PIN
STD,STD, MARK 1,MARK 1
STD,STD, MARK 2,MARK 2
STD,STD, MARK 3,MARK 3
STD,STD, MARK 1,MARK 1
STD,STD, MARK 2,MARK 2
STD,STD, MARK 3,MARK 3
STD,STD
STD,STD
STD,STD
STD,STD
STD,STD,MARK"1",MARK 1
STD,STD,MARK"2",MARK 2
STD,STD,MARK"3",MARK 3
STD,STD,CHINA SPEC
STD,STD,MARK"1",CHINA SPEC,MARK 1
STD,STD,MARK"2",CHINA SPEC,MARK 2
STD,STD,MARK"3",CHINA SPEC,MARK 3
STD,STD
STD,STD
STD,STD
STD,STD,MARK"1",MARK1
STD,STD,MARK"2",MARK2
STD,STD,MARK"3",MARK3
STD
STD,MARK"1",MARK1
STD,MARK"2",MARK2
STD,MARK"3",MARK3
STD,MARK"1",MARK1
STD,MARK"2",MARK2
STD,MARK"3",MARK3
STD,STD,MARK"1",MARK 1
STD,STD,MARK"2",MARK 2
STD,STD,MARK"3",MARK 3
STD,STD
STD,STD
STD,STD,MARK"1",MARK 1
STD,STD,MARK"2",MARK 2
STD,STD,MARK"3",MARK 3
STD,STD,MARK"1",MARK 1
STD,STD,MARK"2",MARK 2
STD,STD,MARK"3",MARK 3
STD,STD,MARK"1",MARK 1
STD,STD,MARK"2",MARK 2
STD,STD,MARK"3",MARK 3
STD,STD
STD,STD,MARK"1",MARK 1
STD,STD,MARK"2",MARK 2
STD,STD,MARK"3",MARK 3
STD,STD
STD,STD,MARK"1",MARK 1
STD,STD,MARK"2",MARK 2
STD,STD,MARK"3",MARK 3
O/S 0.50,O/S 0.50
O/S 0.50,O/S 0.50
O/S 0.50,O/S 0.50
O/S 0.50,O/S 0.50
O/S 0.50,O/S 0.50
O/S 0.50,O/S 0.50
O/S 0.50,O/S 0.50
O/S 0.50,O/S 0.50,CHINA SPEC
O/S 0.50,O/S 0.50
O/S 0.50,O/S 0.50
O/S 0.50,O/S 0.50
O/S 0.50,O/S 0.50
O/S 0.50,O/S 0.50
O/S 0.50,O/S 0.50
O/S 0.50,O/S 0.50
O/S 0.50,O/S 0.50
O/S 0.75,O/S 0.75
O/S 0.75,O/S 0.75
O/S 1.00,O/S 1.00
O/S 1.00,O/S 1.00
O/S 1.00,O/S 1.00
O/S 1.00,O/S 1.00
O/S 1.00,O/S 1.00
O/S 1.00,O/S 1.00,CHINA SPEC
O/S 1.00,O/S 1.00
O/S 1.00,O/S 1.00
O/S 1.00,O/S 1.00
O/S 1.00,O/S 1.00
O/S 1.00,O/S 1.00
O/S 1.00,O/S 1.00
O/S 1.50,O/S 1.50
O/S 1.50,O/S 1.50
O/S 1.50,O/S 1.50
O/S 1.50,O/S 1.50
13101ARING, HOLE SNAP(FOR PISTON PIN)
13201ROD SUB-ASSY, CONNECTING
13201ABUSH(FOR CONNECTING ROD SMALL END)
13202BEARING SET, CONNECTING ROD
STD,STD
STD,STD
U/S 0.25,U/S 0.25
U/S 0.25,U/S 0.25
U/S 0.25,U/S 0.25
U/S 0.25,U/S 0.25
U/S 0.25,U/S 0.25
U/S 0.25,U/S 0.25
U/S 0.25,U/S 0.25
U/S 0.25,U/S 0.25
U/S 0.25,U/S 0.25
U/S 0.50,U/S 0.50
U/S 0.50,U/S 0.50
U/S 0.50,U/S 0.50
U/S 0.50,U/S 0.50
U/S 0.50,U/S 0.50
U/S 0.50,U/S 0.50
U/S 0.50,U/S 0.50
U/S 0.75,U/S 0.75
U/S 0.75,U/S 0.75
U/S 1.00,U/S 1.00
U/S 1.00,U/S 1.00
U/S 1.00,U/S 1.00
U/S 1.00,U/S 1.00
U/S 1.00,U/S 1.00
13265BOLT, CONNECTING ROD
13265ANUT, HEXAGON(FOR CONNECTING ROD BOLT)
13405FLYWHEEL SUB-ASSY
N=115
N=110
N=110
13405APIN, STRAIGHT(FOR FLYWHEEL)
L=15,OD=5
L=23,OD=8,L=23,OD=8
L=22,OD=10,L=22,OD=10
13405BBOLT, FLYWHEEL SETTING
*13-1.5PX32-22
*13-1.5PX30-20
*11-1.25PX26-18
13411CRANKSHAFT
13434SPLINE, OIL PUMP DRIVE
N=42
N=42
13453GEAR, FLYWHEEL RING
N=115
N=108
N=110
N=136
13471PULLEY, CRANKSHAFT
13471AKEY, CRANKSHAFT(FOR CRANKSHAFT PULLEY SET)
13471CBOLT(FOR CRANKSHAFT PULLEY SET)
*16-1.5PX29-24
13503SHAFT SUB-ASSY, IDLE GEAR
13521GEAR OR SPROCKET, CRANKSHAFT TIMING
N=18
N=18
N=22
13521AKEY(FOR CRANKSHAFT TIMING GEAR)
13525GEAR, IDLE, NO.1
N=35
N=51
13572PLATE, IDLE GEAR THRUST
13577ABOLT, HEXAGON(FOR IDLE GEAR BOLT LOCK)
13707AUNION(FOR OIL PIPE, NO.1)
28 parts on this diagram · 6 diagrams in section
CRANKSHAFT & PISTON for Toyota COASTER
This section contains 42 genuine Toyota parts for the CRANKSHAFT & PISTON system of the Toyota COASTER. Key components include: WASHER SET, CRANKSHAFT THRUST, BEARING SET, CRANKSHAFT, BEARING, CRANKSHAFT, RING SET, PISTON, BEARING, CONNECTING ROD.