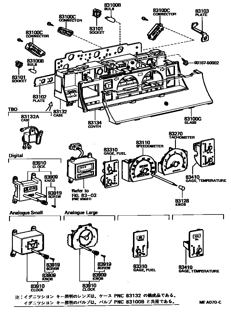
Toyota CHASER — METER

8302
83100BBULB, COMBINATION METER, NO.1
83100CCONNECTOR, COMBINATION METER
7-POLE
13-POLE
83100GGLASS, COMBINATION METER
W/*DS
W/*DS & *CC
W/*DS
W/*DS & *CC
W/O CLOCK
YAZAKI,W/*AS
W/*CC
W/DIGITAL CLOCK,*AS
W/*CC
W/DIGITAL CLOCK,*AS
83101SOCKET SUB-ASSY, COMBINATION METER BULB
12V 3.4W,LONG
12V 3.4W
12V 1.4W
12V 3.4W,W/GREEN CAP BULB,*AS
12V 3.4W
12V 1.4W,LONG
83102PLATE SUB-ASSY, COMBINATION METER CIRCUIT, NO.1
W/*AS
YAZAKI,W/*AS
DENSO,W/*AS
W/*AS
W/*AS
W/*DS
W/*DS
83103PLATE SUB-ASSY, COMBINATION METER CIRCUIT, NO.2
W/*DS
W/*DS
83110SPEEDOMETER ASSY
*30
W/*AD,*SM & *CC
W/*AD
YAZAKI,W/*AS
W/*AS
DENSO,W/*AS
W/*AS
W/*AS
W/*DS
*30
W/*DS
83128KNOB, TRIP COUNTER
DENSO,W/*AS
W/*DS
83132CASE, COMBINATION METER
DENSO
DENSO,W/*AS
YAZAKI,W/*AS
W/*AS
W/*DS
W/*DS
W/*DS
W/*DS
83134COVER, COMBINATION METER, NO.1
W/*AS
W/*AS
W/*DS
W/*DS
W/O CLOCK
YAZAKI,W/*AS
83270TACHOMETER ASSY, ENGINE
YAZAKI,W/*AS
DENSO,W/*AS
W/*AS
W/*AS
W/*AS
W/*DS
W/*DS
W/*DS
W/*DS
83310GAGE ASSY, FUEL RECEIVER
YAZAKI,W/*AS
DENSO,W/*AS
W/*AS
W/*DS
W/*DS
83410GAGE ASSY, WATER TEMPERATURE RECEIVER
YAZAKI,W/*AS
W/*AS
DENSO,W/*AS
W/*AS
W/*AS
DENSO,W/*AS
W/*AS
83909KNOB, CLOCK
ANALOGUE
DIGITAL
83910CLOCK ASSY
ANALOGUE SMALL
ANALOGUE SMALL
DIGITAL
ANALOGUE
ANALOGUE
DIGITAL
DIGITAL
ANALOGUE LARGE
DIGITAL
ANALOGUE LARGE
W/*DS,DIGITAL
W/*DS,DIGITAL
83919SCREW, CLOCK
DIGITAL
ANALOGUE
9016750002
main90167-50002
19 parts on this diagram · 8 diagrams in section