E
ToyotaEPC

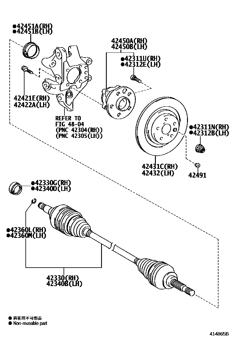
Toyota CENTURYREAR AXLE SHAFT & HUB

Parts diagram
42311NNUT(FOR REAR AXLE SHAFT RH)
main90177-26001i201806
42311UBOLT, HUB(FOR REAR AXLE RH)
main90942-02083×5i201806
42312BNUT(FOR REAR AXLE SHAFT LH)
main90177-26001i201806
42312EBOLT, HUB(FOR REAR AXLE LH)
main90942-02083×5i201806
42330SHAFT ASSY, REAR DRIVE, RH
main42330-50070i201806
42330GOIL SEAL, REAR DRIVE SHAFT, RH
main90311-47018i201806
42340BSHAFT ASSY, REAR DRIVE, LH
main42340-50070i201806
42340DOIL SEAL, REAR DRIVE SHAFT, LH
main90311-47019i201806
42360LRING, SHAFT SNAP (FOR REAR DRIVE SHAFT INBOARD JOINT RH)
main90521-34003i201806
42360MRING, SHAFT SNAP (FOR REAR DRIVE SHAFT INBOARD JOINT LH)
main90521-34003i201806
42421EBOLT (FOR REAR AXLE BEARING CASE RH)
main90105-12364×4i201806
42422ABOLT (FOR REAR AXLE BEARING CASE LH)
main90105-12364×4i201806
42431CDISC, REAR RH
main42431-50100i201806
42432DISC, REAR LH
main42432-50010i201806
42450AHUB & BEARING ASSY, REAR AXLE, RH
main42410-50042i201806
42450BHUB & BEARING ASSY, REAR AXLE, LH
main42410-50042i201806
42451ADEFLECTOR, REAR WHEEL BEARING DUST, NO.1 RH
main42451-50030i201806
42451BDEFLECTOR, REAR WHEEL BEARING DUST, NO.1 LH
main42451-50030i201806
42491PLUG, SHOE ADJUSTING HOLE (FOR PARKING BRAKE)
main47491-50010×2i201806
4804REAR SPRING & SHOCK ABSORBER

20 parts on this diagram · 1 diagram in section

REAR AXLE SHAFT & HUB for Toyota CENTURY

This section contains 20 genuine Toyota parts for the REAR AXLE SHAFT & HUB system of the Toyota CENTURY. Key components include: NUT(FOR REAR AXLE SHAFT RH), BOLT, HUB(FOR REAR AXLE RH), NUT(FOR REAR AXLE SHAFT LH), BOLT, HUB(FOR REAR AXLE LH), SHAFT ASSY, REAR DRIVE, RH.